EasyManua.ls Logo

Minebea CSA-522B - Page 15

Default Icon
38 pages
Print Icon
To Next Page IconTo Next Page
To Next Page IconTo Next Page
To Previous Page IconTo Previous Page
To Previous Page IconTo Previous Page
Loading...
5
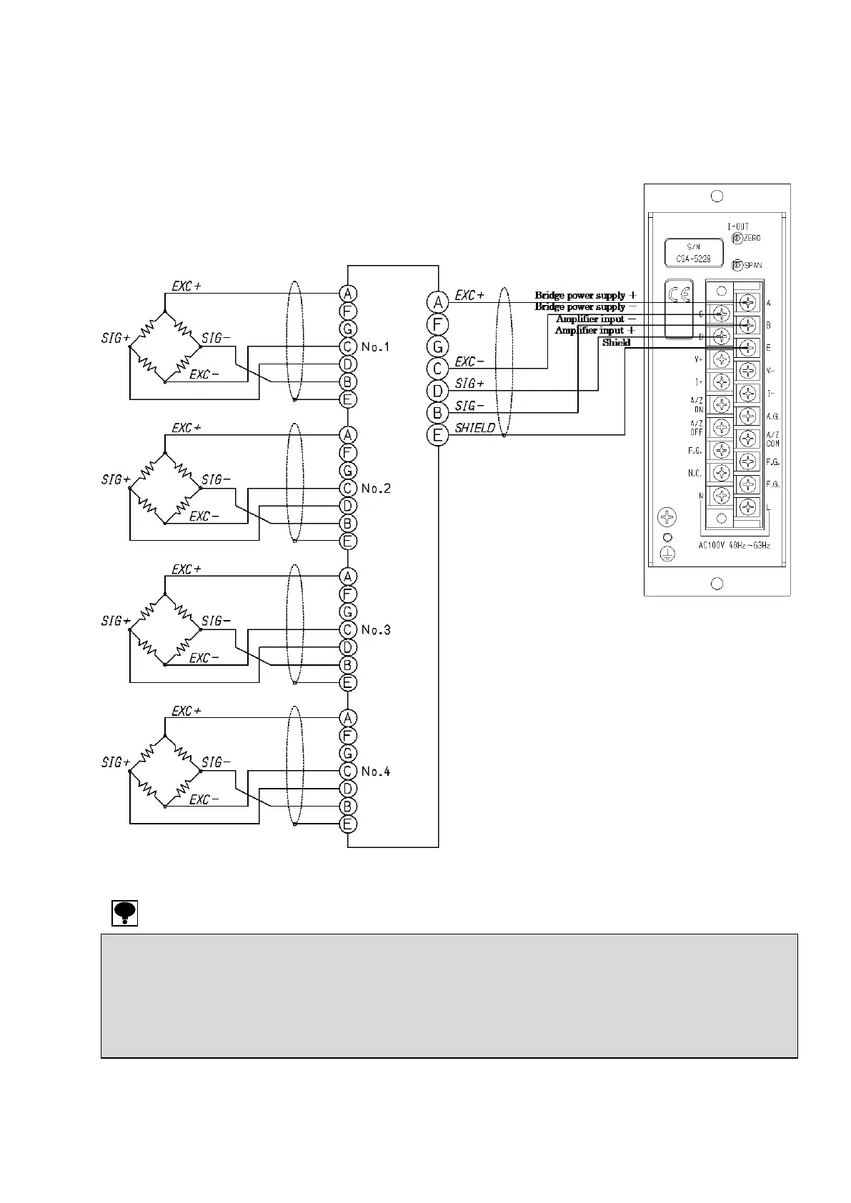
Case : Connection with 2 to 4 points of strain gage applied transducers.
Plurality of of the strain gauge applied transducers might be connected parallel.
The parallel connection can be easily done by using optional SB-310 and SB-320 (Summing
type junction box).
When tension load is applied with the application of tension type or universal (compression / tension) type of load cell, and output of +
direction is required, please replace and connect "Amplifier input + and "Amplifier input –”.
When the total length of cable specifies more than 30 m, the accuracy may be out of warranty because the resistance of cable makes the
input voltage of the instrument decreased.
When the length of cable is applied more than 10 m, or when the system is using the zener barrier, the CALIB value is not applicable.
When this instrument suits the CE standard, please make sure to shield the signal cable by mounting this in the storage case or control
panel where EMC measures are given with protective earth terminal.

Related product manuals