EasyManua.ls Logo

Mitsubishi Electric melsec q03ud(E)cpu - Nesting (N)

Mitsubishi Electric melsec q03ud(E)cpu
622 pages
To Next Page IconTo Next Page
To Next Page IconTo Next Page
To Previous Page IconTo Previous Page
To Previous Page IconTo Previous Page
Loading...
9 - 70
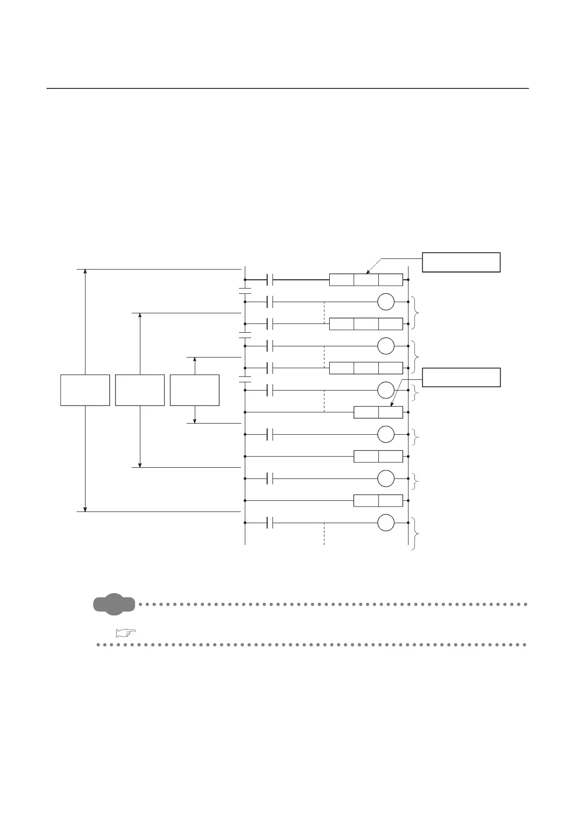
9.9 Nesting (N)
(1) Definition
Nesting (N) is a device used in the master control instructions (MC and MCR instructions) to program operation
conditions in a nesting structure.
(2) Specification method using master control instructions
The master control instruction opens or closes a common ladder gate to switch the ladder of a sequence program
efficiently.
Specify the nesting (N) in ascending order (in order of N0 to N14), starting from the outside of the nesting
structure.
Remark
For use of the nesting, refer to the following.
QCPU Programming Manual (Common Instructions)
Figure 9.83 Programming example using the nesting
Executed when conditions
A and B are met.
Executed when conditions
A, B, and C are met.
Executed when conditions
A and B are met.
Executed when condition
A is met.
Executed when condition
A is met.
M15
N0
B
C
A
M15N0
MC
M16N1
MC
N2
MCR
N1
MCR
M17N2
MC
N0MCR
M16
N1
M17
N2
Designated in
ascending No. order
Designated in
descending No. order
Control
range of
nesting N0
Control
range of
nesting N1
Control
range of
nesting N2
Executed regardless of
conditions A, B, and C.

Table of Contents

Related product manuals