EasyManua.ls Logo

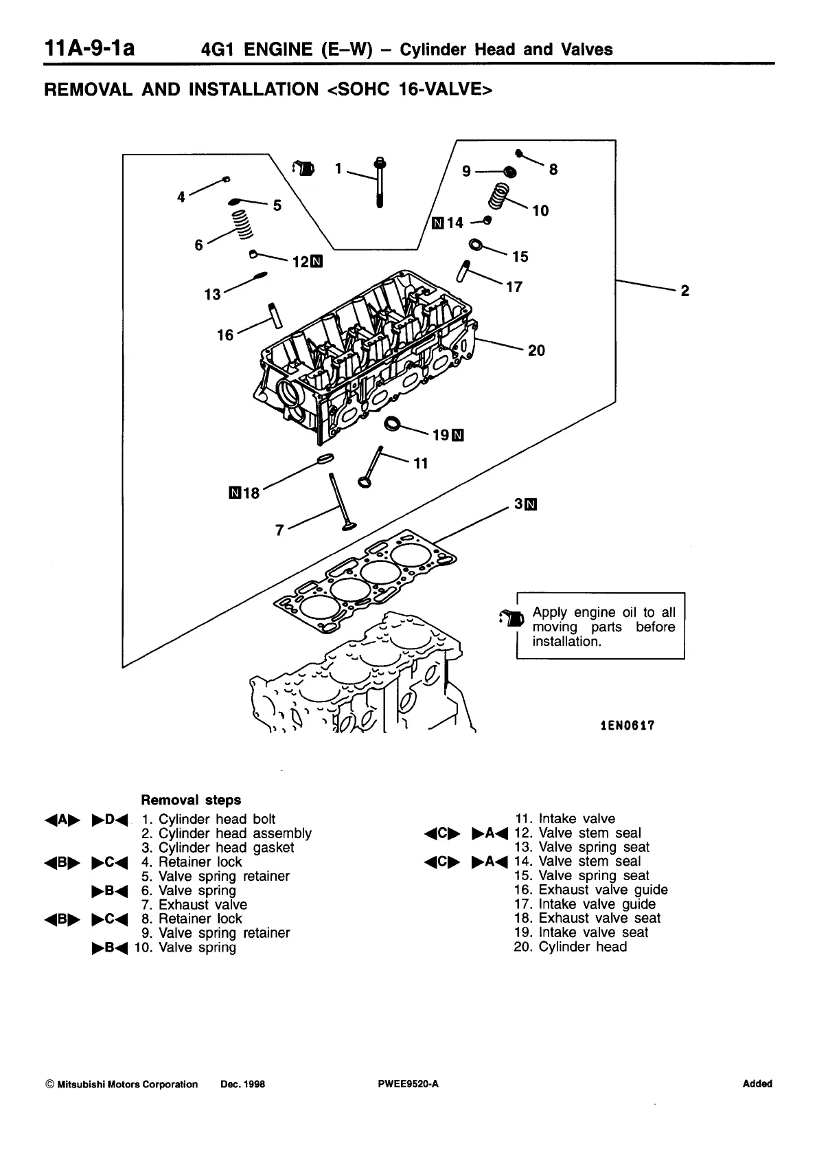
Mitsubishi 4G1 series - Removal and Installation <SOHC 16-VALVE>

Mitsubishi 4G1 series
97 pages
Print Icon
To Next Page IconTo Next Page
To Next Page IconTo Next Page
To Previous Page IconTo Previous Page
To Previous Page IconTo Previous Page
Loading...

Other manuals for Mitsubishi 4G1 series

Related product manuals