EasyManua.ls Logo

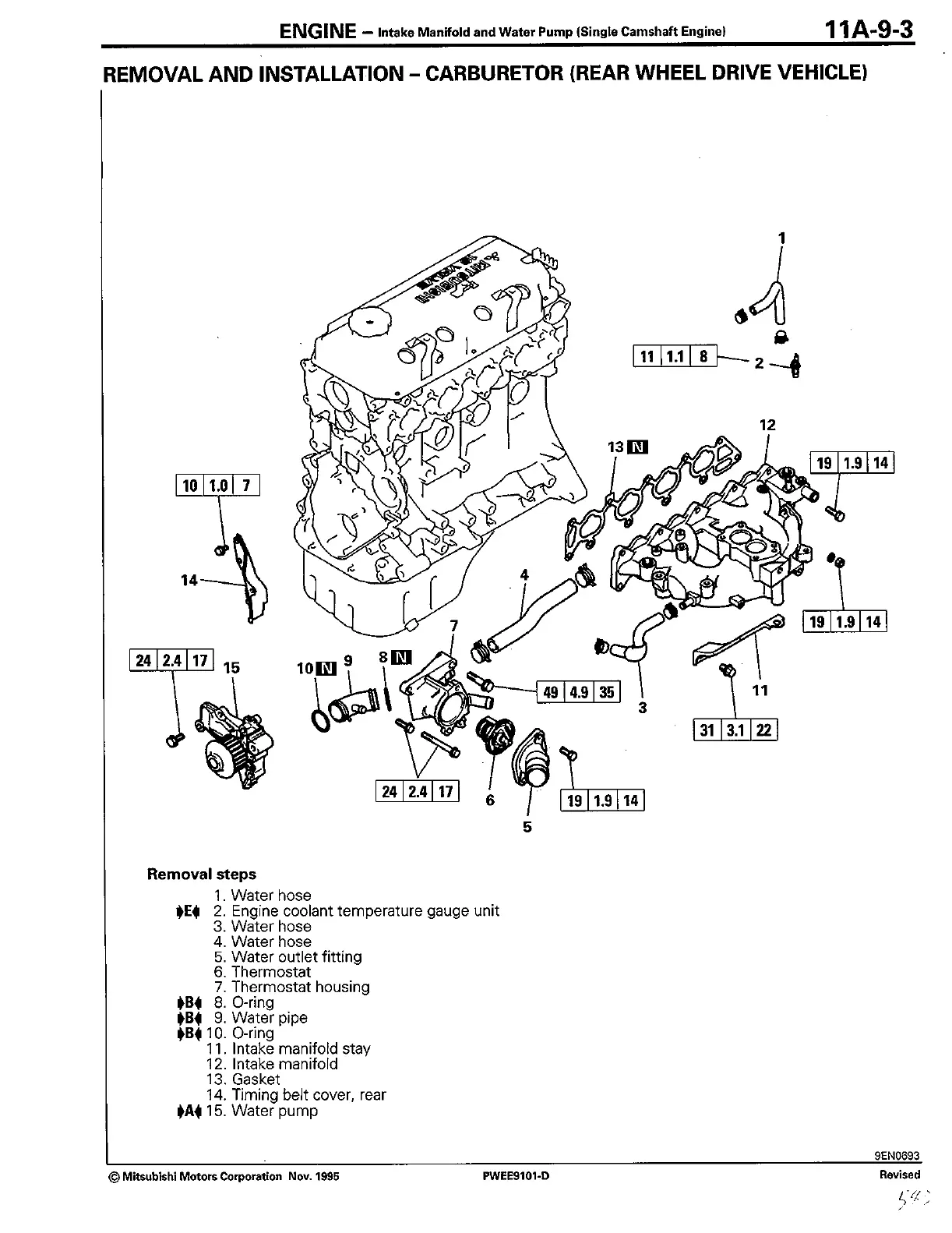
Mitsubishi 4G9 series - Exhaust Manifold Installation; Intake Manifold Stay Installation

Mitsubishi 4G9 series
105 pages
Print Icon
To Next Page IconTo Next Page
To Next Page IconTo Next Page
To Previous Page IconTo Previous Page
To Previous Page IconTo Previous Page
Loading...

Other manuals for Mitsubishi 4G9 series

Related product manuals