EasyManua.ls Logo

Mitsubishi MR-J4-100A - External I;O Signal Connection Example Using an External Safety Relay Unit

Mitsubishi MR-J4-100A
640 pages
Print Icon
To Next Page IconTo Next Page
To Next Page IconTo Next Page
To Previous Page IconTo Previous Page
To Previous Page IconTo Previous Page
Loading...
13. USING STO FUNCTION
13 - 9
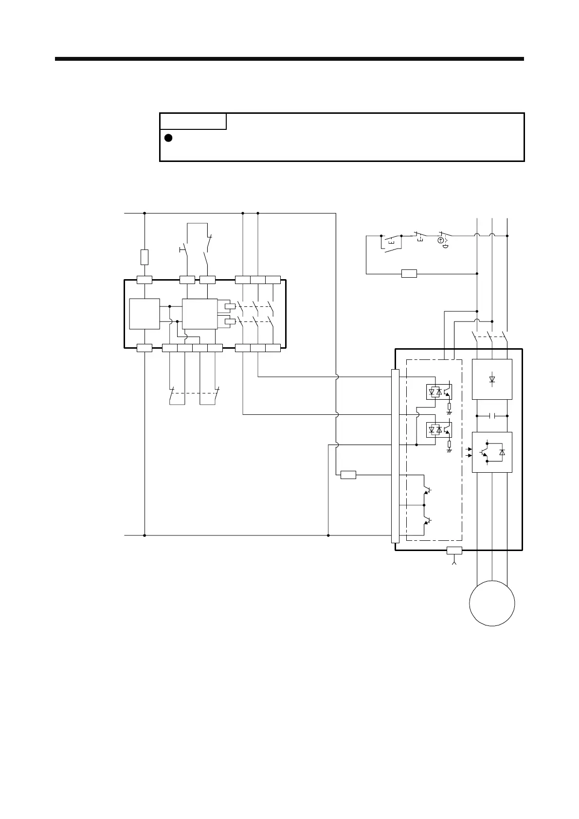
13.3.3 External I/O signal connection example using an external safety relay unit
POINT
This connection is for source interface. For the other I/O signals, refer to the
connection examples in section 3.2.
This connection example complies with the requirement of ISO/EN ISO 13849-1 category 3 PL d.
For details, refer to the safety relay module user’s manual.
S2
K3
KM1
KM1
KM1
KM1
EMGS4
S3
Safety relay module
MELSEC
(QS90SR2S)
Fuse
24 V
0 V
S1 or
EMG
(Note)
EMG
Control
circuit
Power
supply
S1: STO shut-off switch (STO switch)
S2: Start switch (STO release switch)
S3: On switch
S4: Off switch
KM1: Magnetic contactor
K3: Safety relay
EMG: Emergency stop switch
+24 V XS0 XS1 Z00 Z10 Z20
X0
COM0
24G
X1
COM1
Z01 Z11 Z21
K3
CN8
CN1
20
EM1
or
EM2
Control circuit
Servo amplifier
STO1
TOFB1
TOFCOM
TOFB2
STO2
STOCOM
M
Servo motor
Note. To enable the STO function of the servo amplifier by using "Emergency switching off", change S1 to EMG. The stop category at
this time is "0". If STO is turned off while the servo motor is rotating, [AL. 63 STO timing error] will occur.

Table of Contents

Related product manuals