EasyManua.ls Logo

Mitsubishi MR-J4-100A - Page 74

Mitsubishi MR-J4-100A
640 pages
Print Icon
To Next Page IconTo Next Page
To Next Page IconTo Next Page
To Previous Page IconTo Previous Page
To Previous Page IconTo Previous Page
Loading...
3. SIGNALS AND WIRING
3 - 7
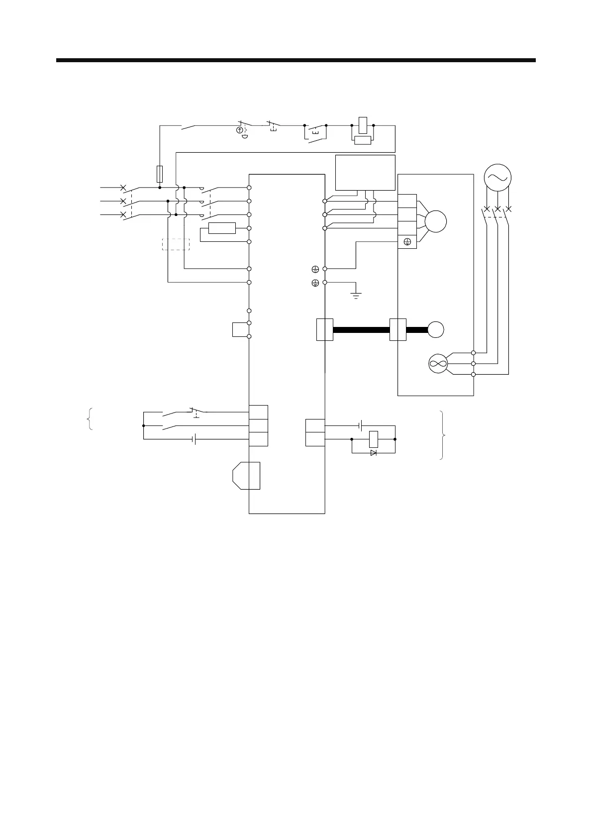
(5) MR-J4-11KA(-RJ)/MR-J4-15KA(-RJ)/MR-J4-22KA(-RJ)
C
P+
L11
L21
P3
P4
N-
L1
L2
L3
U
V
W
U
V
W
M
CN2
MC
MC
SK
CN8
MCCB
ALM
DOCOM
CN1
RA1
CN1
EM2
SON
DICOM
BU
BV
BW
MCCB
(Note 6)
MC
(Note 4)
24 V DC (Note 11)
Malfunction
3-phase
2
00 V AC to
2
40 V AC
Servo amplifier
(Note 1)
(Note 9)
(Note 2)
Servo motor
Motor
Encoder
(Note 3)
Encoder cable
(Note 5)
Malfunction
RA1
OFF
ON
EMG stop switch
Forced stop 2
Servo-on
(Note 4)
(Note 8)
Short-circuit connector
(Packed with the servo amplifier)
(Note 7)
Main circuit power supply
(Note 10)
(Note 10)
24 V DC (Note 11)
(Note 12)
(Note 13) Cooling
fan power supply
(Note 14)
External
dynamic brake
(optional)
Cooling fan
Note 1. Between P3 and P4 is connected by default. When using the power factor improving DC reactor, remove the short bar
between P3 and P4. Refer to section 11.11 for details. Additionally, a power factor improving DC reactor and power factor
improving AC reactor cannot be used simultaneously.
2. When using the regenerative option, refer to section 11.2.
3. For the encoder cable, use of the option cable is recommended. For selecting cables, refer to "Servo Motor Instruction Manual
(Vol. 3)".
4. This diagram shows sink I/O interface. For source I/O interface, refer to section 3.9.3.
5. For connecting servo motor power wires, refer to "Servo Motor Instruction Manual (Vol. 3)".
6. Use a magnetic contactor with an operation delay time (interval between current being applied to the coil until closure of
contacts) of 80 ms or less. Depending on the main circuit voltage and operation pattern, bus voltage decreases, and that may
cause the forced stop deceleration to shift to the dynamic brake deceleration. When dynamic brake deceleration is not
required, slow the time to turn off the magnetic contactor.
7. Configure a circuit to turn off EM2 when the main circuit power is turned off to prevent an unexpected restart of the servo
amplifier.
8. When not using the STO function, attach the short-circuit connector came with a servo amplifier.
9. When wires used for L11 and L21 are thinner than wires used for L1, L2, and L3, use a molded-case circuit breaker. (Refer to
section 11.10.)
10. Connecting a servo motor of the wrong axis to U, V, W, or CN2 of the servo amplifier may cause a malfunction.
11. The illustration of the 24 V DC power supply is divided between input signal and output signal for convenience. However, they
can be configured by one.
12. Only HG-JP22K1M servo motor is equipped with a cooling fan.
13. For the cooling fan power supply, refer to "Servo Motor Instruction Manual (Vol. 3)".
14. Use an external dynamic brake for this servo amplifier. Failure to do so will cause an accident because the servo motor dose
not stop immediately but coasts at an alarm occurrence for which the servo motor does not decelerate to stop. Ensure the
safety in the entire equipment. For alarms for which the servo motor does not decelerate to stop, refer to section 8.1.

Table of Contents

Related product manuals