EasyManua.ls Logo

Moehlenhoff Standard - Цифровой Таймер Control 2 - Электромонтаж

Moehlenhoff Standard
Print Icon
To Next Page IconTo Next Page
To Next Page IconTo Next Page
To Previous Page IconTo Previous Page
To Previous Page IconTo Previous Page
Loading...
97
DEU
ENG
FRA
ITA
SPA
NLD
RUS
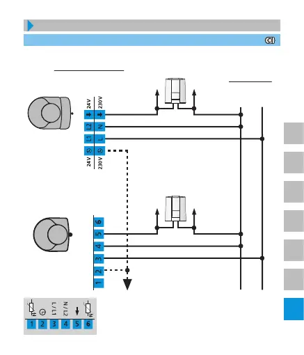
Цифровой таймер Control 2 – Электромонтаж
Control
Pегулятор
AR 20.. C2
AR 40.. C2
Pегулятор
AR 20.. K2
AR 40.. K2
Возможно присоединение
последующих регуляторов
230 V AC / 0,2 A
омическая нагрузка
24 V AC / 1 A
омическая нагрузка
230 V AC
N L
24 V AC
L2 L1
максимально 5
приводов
A 2xxx5 / A 4xxx5
максимально 5
приводов
A 2xxx5 / A 4xxx5

Table of Contents

Related product manuals