EasyManua.ls Logo

Monessen Hearth CDV7 - Signature Command System Wiring Diagram

Monessen Hearth CDV7
68 pages
Print Icon
To Next Page IconTo Next Page
To Next Page IconTo Next Page
To Previous Page IconTo Previous Page
To Previous Page IconTo Previous Page
Loading...
CDVSC7 & CDV7 Series Gas Fireplace
38
69D3011
To Junction Box
in Fireplace
Optional
AC Module
{
White
Black
Optional
Light
White
Black
{
Optional
Blower
White
Black
{
Optional
Aux.
Green
Plug in
Connector
Connector Pin
To Control Board
Input 300 Watt Max. Each
Optional A/C Module Replaces 6V Adapter
When Used
6V AC
Adapter
Control Board
RF Receiver
ON/OFF Button
Pilot
Black / Thermopile
Red / Thermopile
Sensor
Ignitor / Sparker
Conversion
NG/LP
Plug-in Connector
Control Board to Command Center
OFF/LO
LED
ON/HI
Master Switch
Command Center
Optional
Wall Switch
Plug-in Connector
Stepper Motor to
Control Board
DC Power/Green
Ground
Plug-in Connector
Control Board to
Solenoid
Gas In
Gas Out
Pilot Gas Tubing
Valve







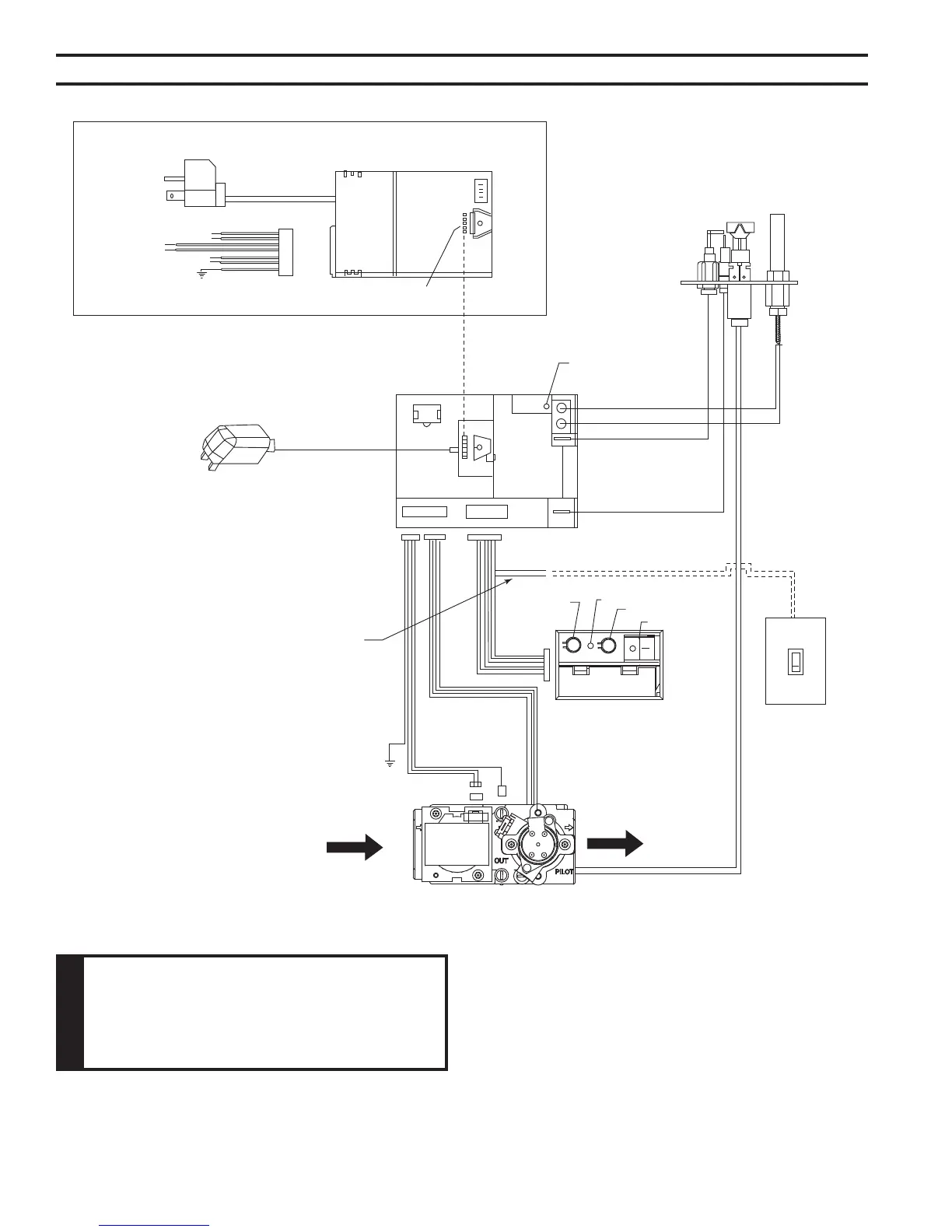
Figure 56 -
Signature Command Wiring Diagram
 Wall switch wires must be con-
nected together if a wall switch is not
being used.

Table of Contents

Related product manuals