EasyManua.ls Logo

Mongoose Q-U720AC - Wire Harness

Mongoose Q-U720AC
33 pages
Print Icon
To Previous Page IconTo Previous Page
To Previous Page IconTo Previous Page
Loading...
31
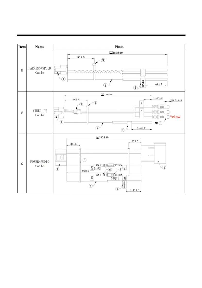
Wire Harness