EasyManua.ls Logo

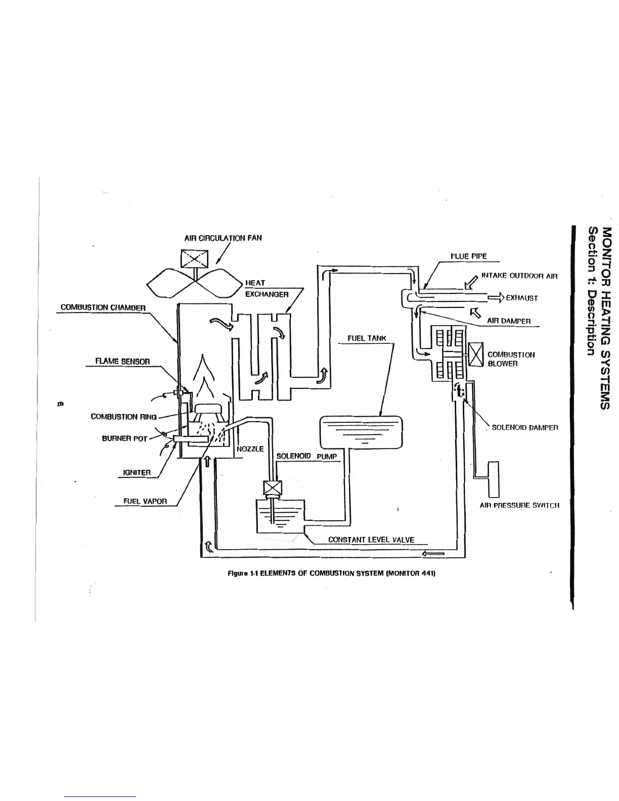
Monitor 441 - 1-24 SOLENOID PUMP; 1-25 ELECTRICAL SYSTEM; 1-26 MICROPROCESSOR; 1-27 TEMPERATURE SENSOR

Default Icon
70 pages
Print Icon
To Next Page IconTo Next Page
To Next Page IconTo Next Page
To Previous Page IconTo Previous Page
To Previous Page IconTo Previous Page
Loading...

Table of Contents

Related product manuals