EasyManua.ls Logo

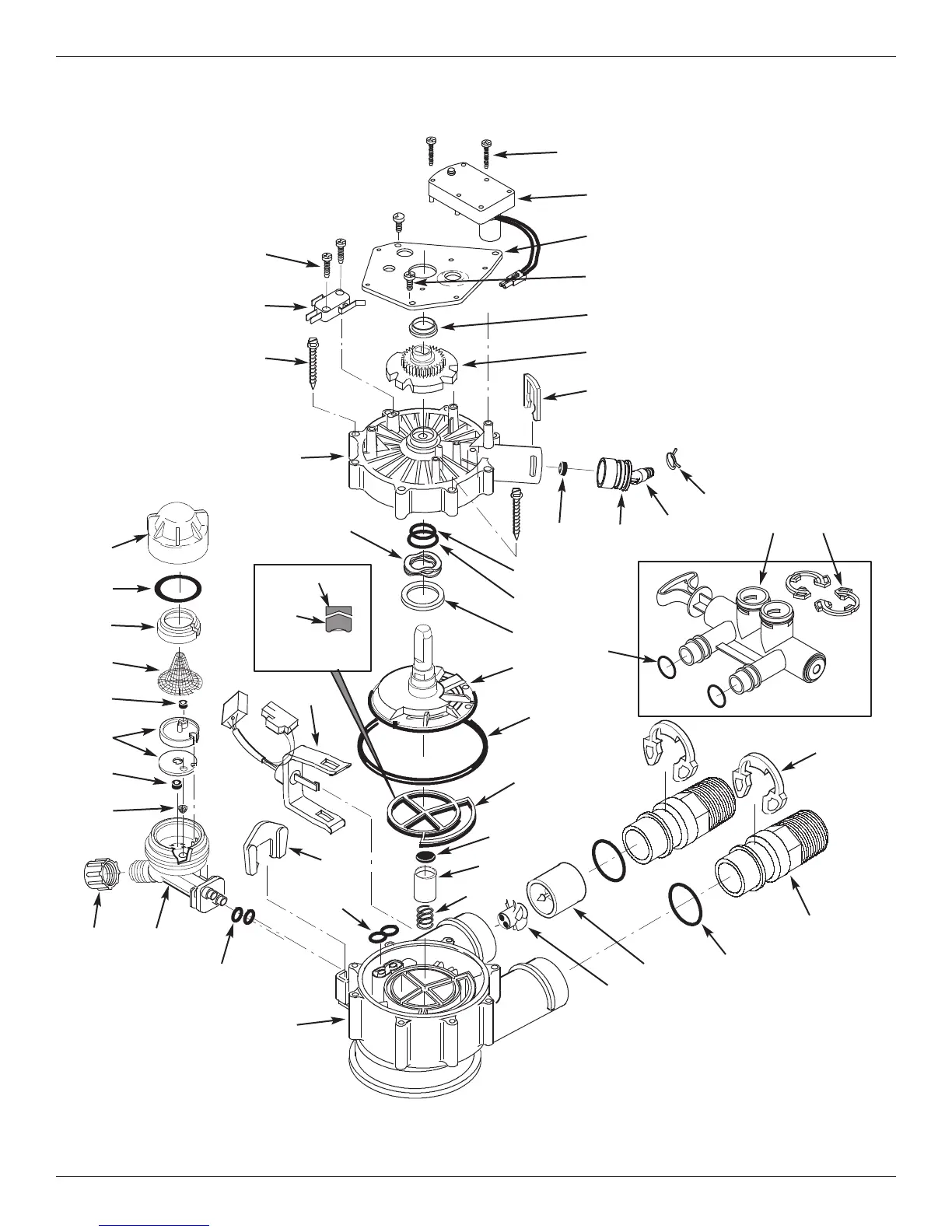
Morton M45 - Valve Exploded View

Morton M45
28 pages
Print Icon
To Next Page IconTo Next Page
To Next Page IconTo Next Page
To Previous Page IconTo Previous Page
To Previous Page IconTo Previous Page
Loading...
26 Morton
®
Water Softener Installation & Operation Manual
Valve Exploded View
Wear Strip
Seal
Cross-section
View
100
101
102
103
104
105
106
107
108
109
110
111
112
117
118
140
113
114
115
119
120
116
127
121
145
123
121
122
123
124
125
126
128
129
131130
132
133
134
135
136
137
138
139
141
142
143
144

Related product manuals