EasyManua.ls Logo

Motorola MC3000 - Page 69

Motorola MC3000
88 pages
To Next Page IconTo Next Page
To Next Page IconTo Next Page
To Previous Page IconTo Previous Page
To Previous Page IconTo Previous Page
Loading...
Schematics — (2260395-1) 4-9
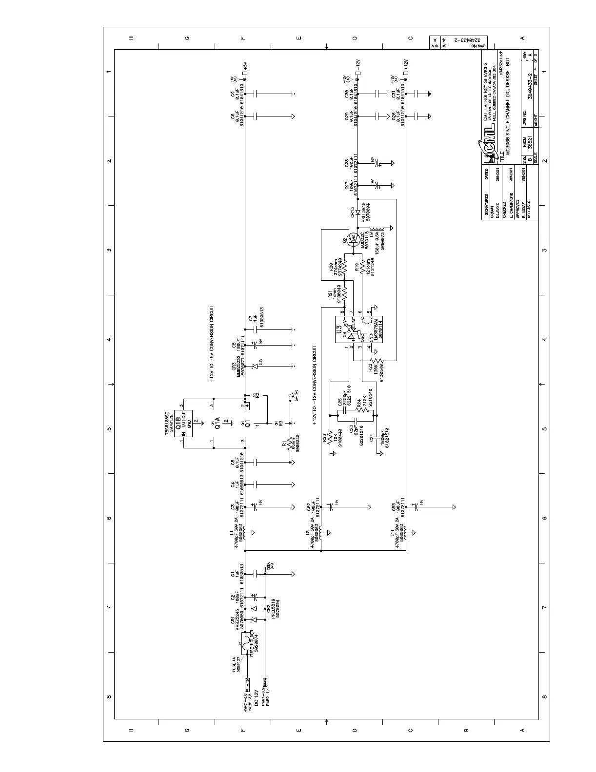
MC3000 Digital Deskset Bottom Board (4 of 4)
MC3000 Digital Deskset Bottom Board

Table of Contents

Other manuals for Motorola MC3000

Related product manuals