EasyManua.ls Logo

MPE SC2000 - Page 42

MPE SC2000
46 pages
Print Icon
To Next Page IconTo Next Page
To Next Page IconTo Next Page
To Previous Page IconTo Previous Page
To Previous Page IconTo Previous Page
Loading...
41
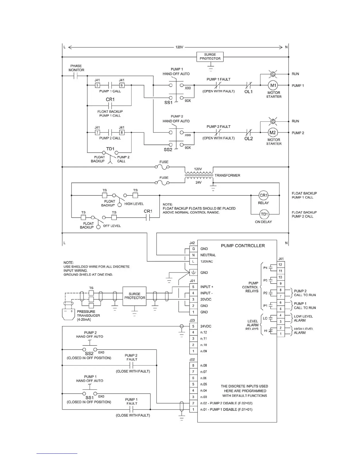
CONTROL SCHEMATIC EXAMPLE - Duplex with 24V Float Backup