EasyManua.ls Logo

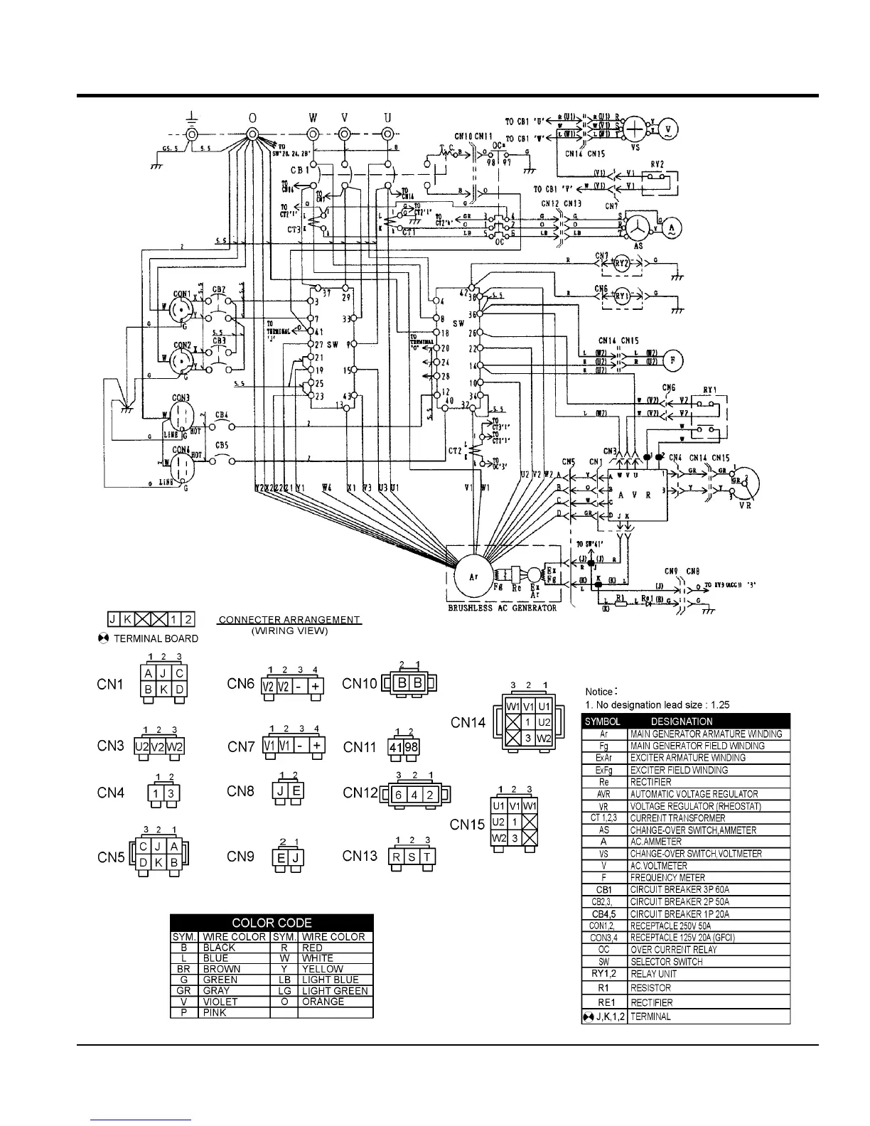
MQ Power DCA25SSIU4F - GENERATOR WIRING DIAGRAM; Wiring Diagram Overview; Symbol and Designation Key; Color Code

MQ Power DCA25SSIU4F
48 pages
Print Icon
To Next Page IconTo Next Page
To Next Page IconTo Next Page
To Previous Page IconTo Previous Page
To Previous Page IconTo Previous Page
Loading...
DCA25SSIU4F 60 HZ GENERATOR• OPERATION MANUAL — REV. #4 (01/17/18) — PAGE 43
GENERATOR WIRING DIAGRAM

Related product manuals