EasyManua.ls Logo

MTU 12V2000M91 - Circuit

MTU 12V2000M91
169 pages
Print Icon
To Next Page IconTo Next Page
To Next Page IconTo Next Page
To Previous Page IconTo Previous Page
To Previous Page IconTo Previous Page
Loading...
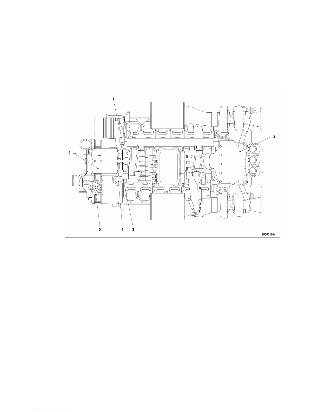
8.17 Coolant Circuit, General, High-Temperature Circuit
8.17.1 Drain and venting points
Top side
1 Engine coolant vent
2 Intercooler
3 Overflow line
4 Engine coolant expansion
tank
5 Fuel filter
6 Engine oil filter
124 | Task Description | MW15409/04E 2015-08
TIM-ID: 0000006697 - 003

Table of Contents

Related product manuals