EasyManua.ls Logo

mycom 3225**C Series - Page 153

mycom 3225**C Series
172 pages
Print Icon
To Next Page IconTo Next Page
To Next Page IconTo Next Page
To Previous Page IconTo Previous Page
To Previous Page IconTo Previous Page
Loading...
2202MYJE-MY-C8-N_2018.02.
Chapter 7 Related Documents
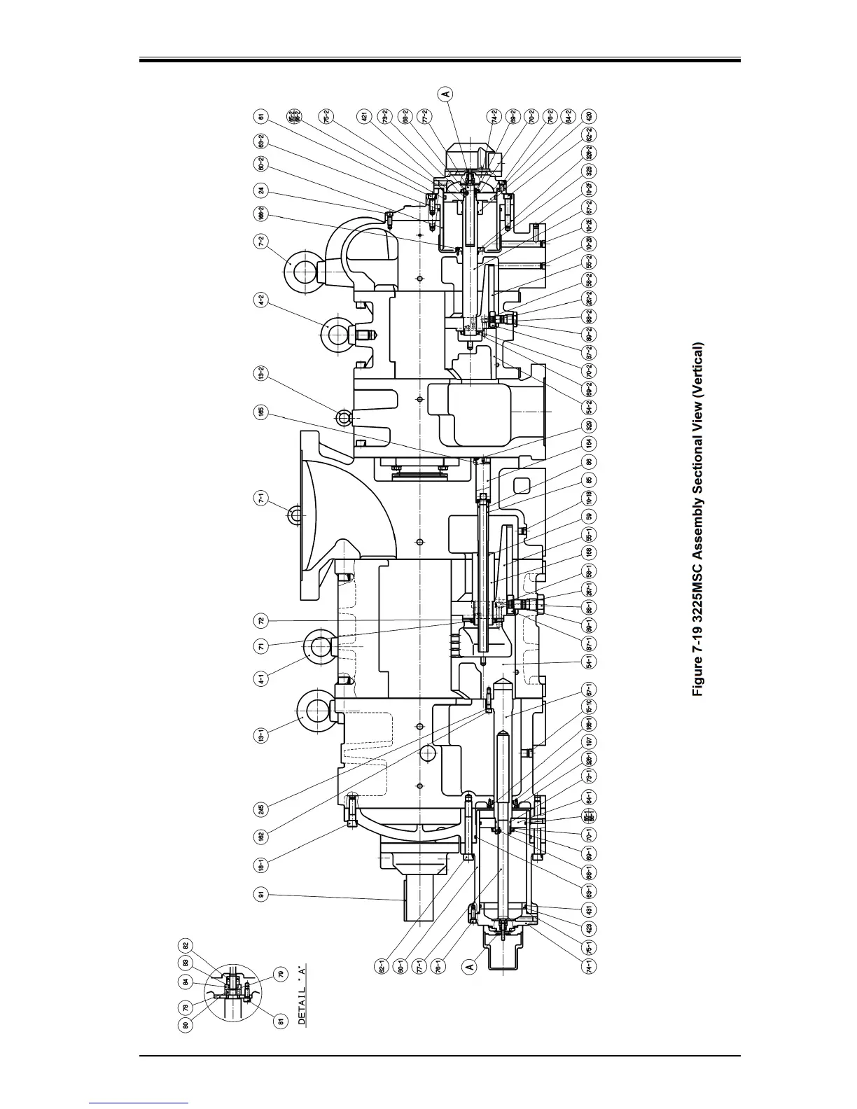
Compound 2-stage Screw Compressor 3225**C Assembly Sectional Views
7-19

Table of Contents

Related product manuals