EasyManua.ls Logo

NAD 314 - Wiring Diagram

NAD 314
18 pages
Print Icon
To Next Page IconTo Next Page
To Next Page IconTo Next Page
To Previous Page IconTo Previous Page
To Previous Page IconTo Previous Page
Loading...
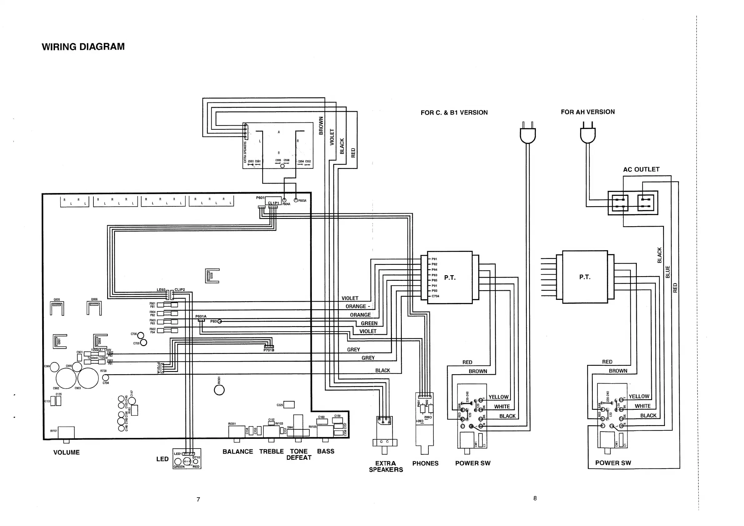
WIRING
DIAGRAM
FOR
C.
&
B1
VERSION
FOR
AH
VERSION
AC
OUTLET
LEo2
CLIP2
0905
0906
j
1
—S
ma
an
mC
[
[fem
CC
Torrance
F803
we
a
|
i
|
a
Ge
GREEN
|
LE
E
~O
=:
all
P(t
“nn
fai
|||
L]
eee
1
eae
eae
Fee
7
fil
POON
ra
1
es
oii
c902
C903
C135
VlOZd
C146
C148C156
C155 C145
R163
ikaan
VOLUME
Lepi
ey
BALANCE
TREBLE
TONE’
BASS
x
LED
0@QSs
DEFEAT
ON
“np
EXTRA
PHONES
POWER
SW
POWER
SW
SPEAKERS

Related product manuals