EasyManua.ls Logo

NAD C516BEE - Page 14

NAD C516BEE
44 pages
Print Icon
To Next Page IconTo Next Page
To Next Page IconTo Next Page
To Previous Page IconTo Previous Page
To Previous Page IconTo Previous Page
Loading...
2-4
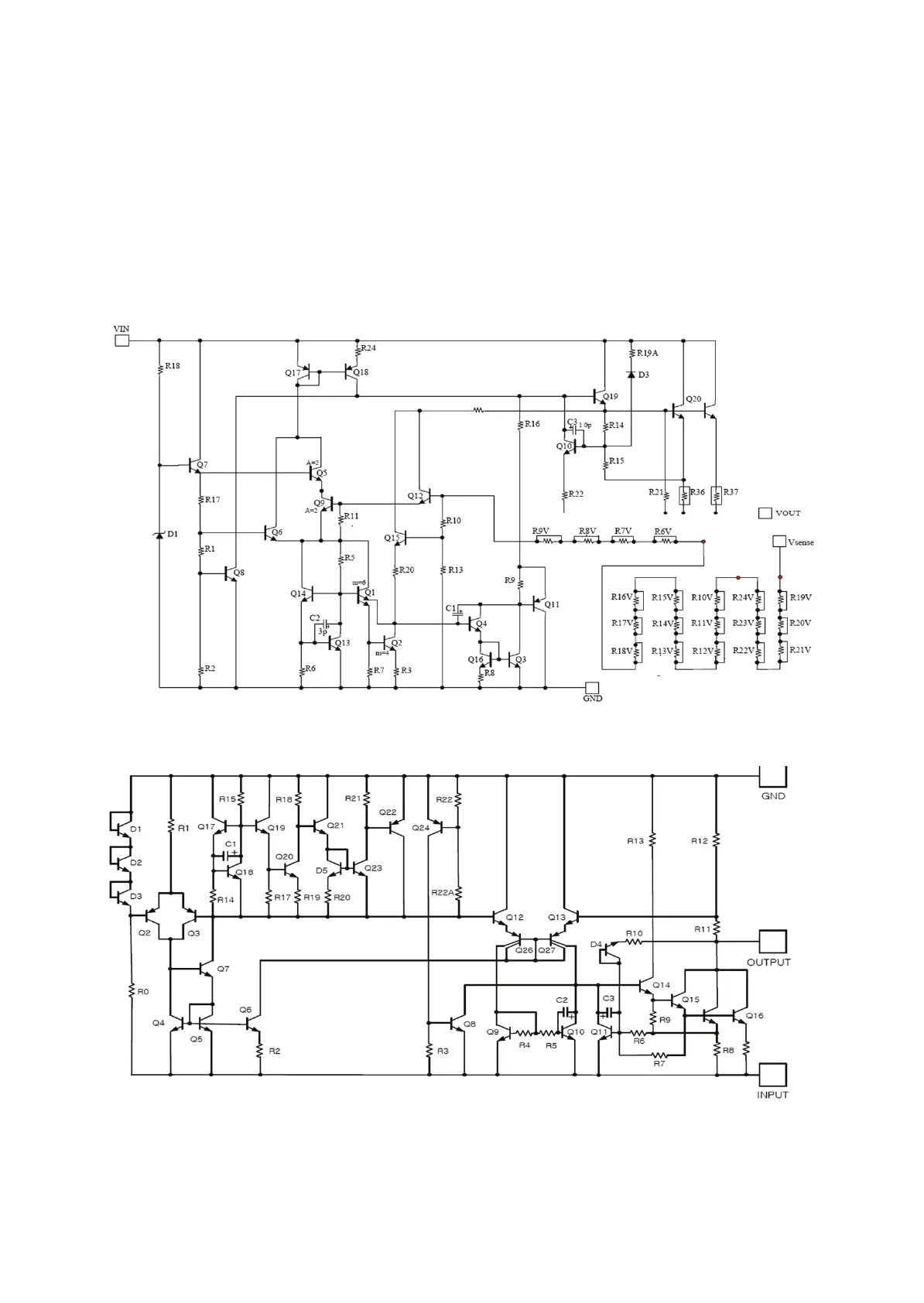
IC20 LM7808RTRL IC, REGULATOR 1A, 8V
IC21, LM7908RTRL IC, REGULATOR 1A, -8V
IC BLOCK DIAGRAM
LM7808RTRL
LM7908RTRL

Related product manuals