EasyManua.ls Logo

NAD C516BEE - Page 31

NAD C516BEE
44 pages
Print Icon
To Next Page IconTo Next Page
To Next Page IconTo Next Page
To Previous Page IconTo Previous Page
To Previous Page IconTo Previous Page
Loading...
RESET
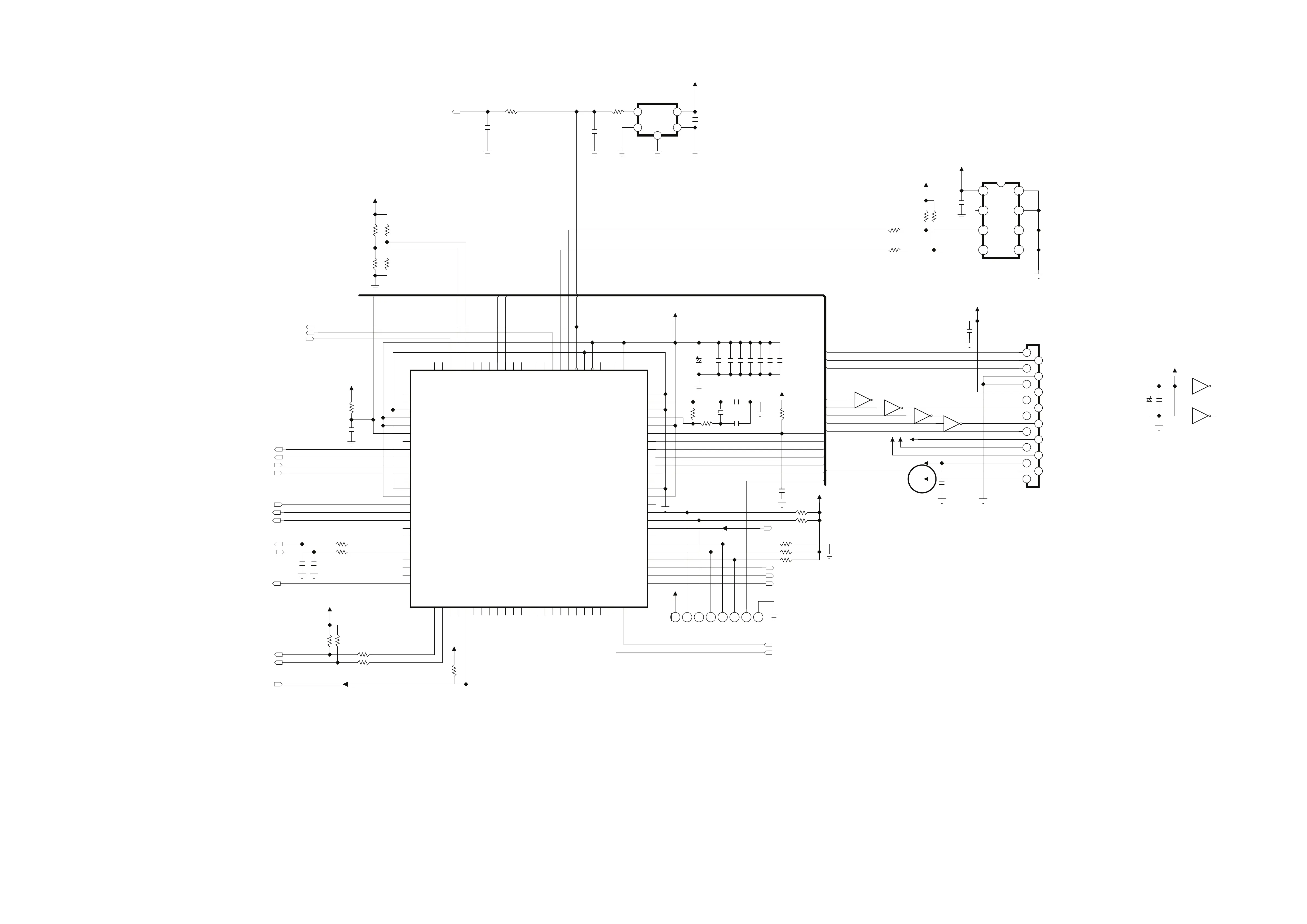
MCU
KEY1
STBY-LED
KEY0
DGND
DGND
MCU+3.3V
VFD-DI
VFD-CLK
VFD-CE
VFD-RST
REMO
FL-
VP
FL+
+5V
n.c
n.c
n.c
n.c
n.c
n.c
n.c
n.c
n.c
n.c
n.c
n.c
n.c
n.c
n.c
n.c
n.c
n.c
n.c
n.c
n.c
n.c
n.c
n.c
n.c
n.c
n.c
n.c
n.c
n.c
n.c
n.c
n.c
n.c
n.c
n.c
n.c
n.c
n.c
n.c
n.c
n.c
n.c
n.c
n.c
EX_INTERRUPT
TMPM33OFWFG(128K)
n.c
MCU & EEPROM
1
PD6/AN10
2
PD7/AN11
3
AVSS
4
VREFH
5
AVCC
6
PG3/INT4
7
PK2/TB9OUT
8
PJ5/TB7OUT
9
PH4/TB2IN0
10
PH5/TB2IN1
11
PG7/TB8OUT
12
TEST2
13
DVSS
14
DVCC
15
PG4/SO2/SDA2
16
PG5/SI2/SCL2
17
PG6/SCK2
18
TEST1
19
PF7/INT5
20
PE0/TXD0
21
PE1/RXD0
22
PE2/SCLK0
23
PE4/TXD1
24
PE5/RXD1
25
PE6/SCLK1
26
PG0/SO0/SDA0
27
PG1/SI0/SCL0
28
PG2/SCK0
29
PB3
30
PH0/TB0IN0//BOOT
31
PH1/TB0IN0
32
PH2/TB1IN0
33
PF0/TXD2
34
PF1/RXD2
35
PF2/SCLK2
36
PH3/TB1IN1
37
PB4
38
PI0/TB0OUT
39
PJ6/INT6
40
PI1/TB1OUT
41
PB5
42
PI2/TB2OUT
43
PB6
44
PF4/SO1/SDA1
45
PF5/SI1/SCL1
46
PF6/SCK1
47
PB7
48
PI3/TB3OUT
49
PJ1/INT1
50
PK0/CEC
51
PK1/SCOUT
52
PI4/TB4OUT
53
PI5/TB5OUT
54
PB0/TDO/SWV
55
PA0/TMS/SWDIO
56
PA1/TCK/SWCLK
57
TEST3
58
PJ7/INT7
59
PB1/TDI
60
PB2/TRST
61
PF3/RXIN1
62
DVCC
63
DVSS
64
PA2/TRACECLK
65
PA3/TRACEDATA0
66
PA4/TRACEDATA1
67
PA5/TRACEDATA2
68
PA6/TRACEDATA3
69
PA7
70
PJ0/INT0
71
CVCC
72
X2
73
CVSS
74
X1
75
REGVSS
76
REGVCC
77
XT1
78
XT2
79
PI6/TB4IN0
80
/NMI
81
MODE
82
/RESET
83
PI7/TB4IN1
84
PH6/TB3IN0
85
PH7/TB3IN1
86
PJ2/INT2
87
PJ3/INT3
88
PJ4/TB6OUT
89
PE3/RXIN0
90
TEST4
91
PC0/AN0
92
PC1/AN1
93
PC2/AN2
94
PC3/AN3
95
PD0/AN4
96
PD1/AN5
97
PD2/AN6
98
PD3/AN7
99
PD4/AN8
100
PD5/AN9
IC01
TMP330FWFGA
1
45
2
VDD
VSS
DS
OUT
NC
3
IC02
CVIS80124CLMCJIJT2
C405
1uF
C406
0.1uF
R413
1K
C403
100P
C402
100P
C401
100P
R400
47
R402
47
R401
47
D401
RB160L60
D402
1SS355T
R407
100K
R405
47
C418
0.1uF
C417
0.1uF
R420
10K
R419
10K
R417
10K
R416
10K
R418
10K
C415
12P
C416
15P
R414
1M
X001
10MHz
R415
33
C410
0.1uF
R409
10K
R411
10K
R410
10K
R412
10K
C407
0.1uF
C408
0.1uF
C409
0.1uF
C411
0.1uF
C412
0.1uF
C413
0.1uF
R406
47
R403
10K
R404
10K
C404
100P
R408
10K
12345678
CN02
CJP08GA19ZY
1
2
IC03-A
CVISN74ACT04DR_
3
4
IC03-B
CVISN74ACT04DR_
5
6
IC03-C
CVISN74ACT04DR_
9
8
IC03-D
CVISN74ACT04DR_
11
10
IC03-E
CVISN74ACT04DR_
13
12
IC03-F
CVISN74ACT04DR_
C419
10/50V
C420
1uF
C421
47/25V
1234
5678
A0
A1
A2
GNDSDA
SCL
WP
VCC
IC07
HVIAT24C08N10SC
R423
33
R424
33
R421
10K
R422
10K
C422
0.1uF
1
2
3
4
5
6
7
8
9
10
11
12
13
14
1517
16
CN03
CJP17GA115ZY
R425
33K
C423
0.1uF
CD_BUS3
[2]
CD_BUCK
[2]
CD_CCE
[2]
CD_BUS2
[2]
CD_CLOSE_M
[2]
CD_OPEN_M
[2]
CD_CLOSE_SW
[2]
CD_OPEN_SW
[2]
CD_LIMIT_SW
[2]
MT_STBY
[2]
FRONT
KEY0
KEY1
DSP_RST
[2]
MCU+3.3V
DAC_SCL
[3]
DAC_RESET
[3]
VFD-RST
VFD-DI
VFD-CE
VFD-CLK
STBY-LED
VFD-DI
VFD-CLK
VFD-CE
VFD-RST
KEY1
STBY-LED
KEY0
MCU+3.3V
LD_CHK
[2]
TRANS_ON/OFF
[4]
MCU+3.3V
F_MUTE
[3]
DAC_SDA
[3]
MCU+3.3V
MCU+3.3V
MCU+3.3V
+5V
FL-VPFL+
REMOTE_IN
REMOTE_IN
MCU+3.3V
MCU+3.3V
MCU+3.3V
RESET RESET
RESET
+5V
RESET
[1,3]
/BOOT
[3]
UPDATE_TX
[3]
UPDATE_RX
[3]
/RESET_DOWNLOAD
[3]
POWER_DN
[4]
MCU+3.3V
MCU+3.3V
EX_INTERRUPT
EX_INTERRUPT
MCU+3.3V
+3.3V

Related product manuals