EasyManua.ls Logo

NAD C516BEE - Page 33

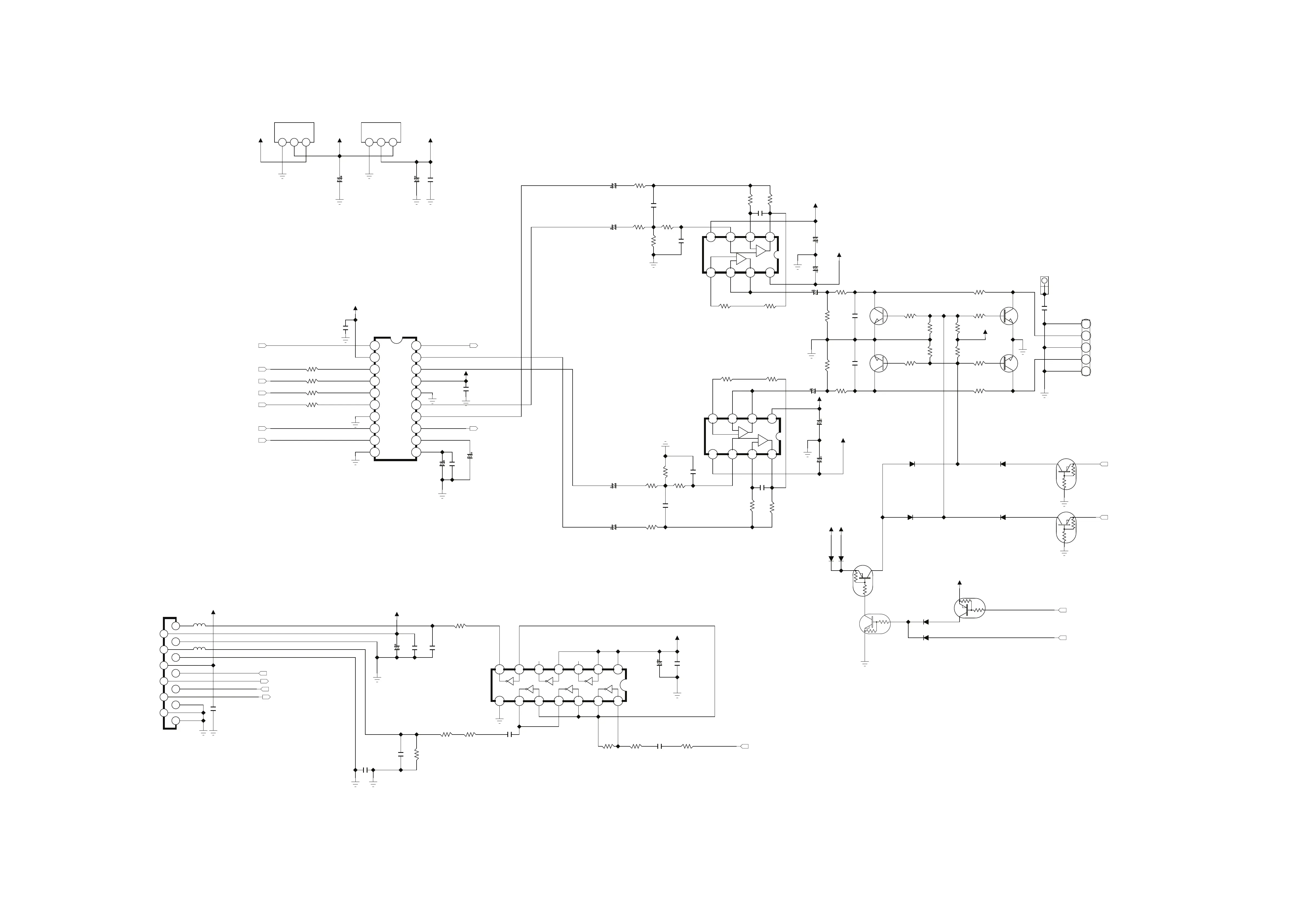
NAD C516BEE
44 pages
Print Icon
To Next Page IconTo Next Page
To Next Page IconTo Next Page
To Previous Page IconTo Previous Page
To Previous Page IconTo Previous Page
Loading...
OUT_L
OUT_R
LCH
RCH
OPTICAL
+5V
GND
SPDIF
AGND RT1N141C 10K/10K
RT1N144C 10K/47K
DAC & AUDIO
Open
R225
220
R224
4.7K
R229
4.7K
R228
4.7K
R221
4.7K
R230
220
C217
10uF/50V
C218
10uF/50V
R211
8.2K
R212
8.2K
R214
8.2K
R213
3.3K
R215
3.3K
C220
100V/220pF
C224
47uF/25V
C221
390P
R216
10K
C219
1200P
R219
220
R232
220
C227
47uF/25V
C225
1800P
C226
1800P
R220
47K
R231
47K
C232
1200P
R240
10K
C230
390P
C231
100V/220pF
R239
3.3K
R237
3.3K
R235
8.2K
R236
8.2K
R238
8.2K
C233
10uF/50V
C234
10uF/50V
R218
820
C222
100uF/25V
C223
100uF/25V
C229
100uF/25V
C228
100uF/25V
R217
2.7K
R233
2.7K
R234
820
R227
100K
R223
100K
R222
470K
R226
470K
R204
33
R203
100
R202
100
R201
100
13 14 2019181716151211
10987654321
/RST
VL
SDATA
SCLK
LRCK
MCLK
M3
SCL
SDA
AD0 FILT+
CMOUT
BMUTEC
AOUTB-
AOUTB+
AGND
VA
AOUTA+
AOUTA-
AMUTEC
IC11
CS4392KZZ
C203
0.1uF
C205
0.1uF
C204
1/50
C206
10/50V
C201
0.1uF
ET41
HJT1A025
C236
0.01uF
C202
47/25V
C207
0.1uF
C214
0.1uF
R210
1.0
C215
47/25V
C212
100P
C213
0.1uF
C216
0.1uF
R205
100
R206
180
R209
1.2K
R208
100K
R207
180
R200
10
C210
12P
C208
47/25V
C209
0.1uF
C211
0.1uF
1234
5678
A
+-
B
+-
A OUTPUT
A-INPUT
A+INPUT
V-
B+INPUT
B-INPUT
B OUTPUT
V+
IC12
CVISA5532DR
Q202
KTC2875B
Q200
KTC2875B
Q201
KTC2875B
Q203
KTC2875B
D203
1SS355T
D202
1SS355T
Q205
RT1N141C
Q204
RT1P144C
Q206
RT1P144C
D206
1SS355T
D201
1SS355T
D200
1SS355T
D207
1SS355T
D204
1SS355T
D205
1SS355T
C200
47/25V
123
GND
OUT
IN
IC15
CVILM1117S33
123
GND
OUT
IN
IC06
CVILM1117S50
C235
0.1uF
1234567
8 9 10 11 12 13 14
IC14
CVISN74ACT04DR
1234
5678
A
+-
B
+-
A OUTPUT
A-INPUT
A+INPUT
V-
B+INPUT
B-INPUT
B OUTPUT
V+
IC13
CVISA5532DR
1
2
3
4
5
6
7
8
9
10
11
12
13
CN09
CJP13GA115ZY
12345
1
2
3
4
5
CN08
CJP05GA19ZY
Q208
RT1P144C
Q207
RT1P144C
12
L202
CLZ9R001Z
12
L203
CLZ9R001Z
AGND
AGND
AGND
AGND
AGND
AGND
AGND
AGND
AGND
AGND
B_MUTE [3]
A_MUTE [3]
AGND
+10V_A
AGND
AGND
AGND
AGND
3.3V_DAC
3.3V_DAC
+5V_DAC
+5V_DAC
B_MUTE
[3]
A_MUTE
[3]
DAC_SDA
[1]
DAC_SCL
[1]
DAC_DATA
[2]
DAC_BCK
[2]
DAC_LRCK
[2]
DAC_MCLK
[2]
OPTICAL
[2]
AGND
DAC_RESET
[1]
-8V_A
+8V_A
+8V_A
-8V_A
-8V_A
+5V
+5V
F_MUTE
[1]
RESET
[1]
AGND
MCU+3.3V
AGND
MCU+3.3V +8V_A
AGND
MCU+3.3V
/RESET_DOWNLOAD
[1]
UPDATE_RX
[1]
UPDATE_TX
[1]
/BOOT
[1]
AGND
AGND
AGND

Related product manuals