EasyManua.ls Logo

NAD L76 - Page 17

NAD L76
45 pages
Print Icon
To Next Page IconTo Next Page
To Next Page IconTo Next Page
To Previous Page IconTo Previous Page
To Previous Page IconTo Previous Page
Loading...
2-38 2-39
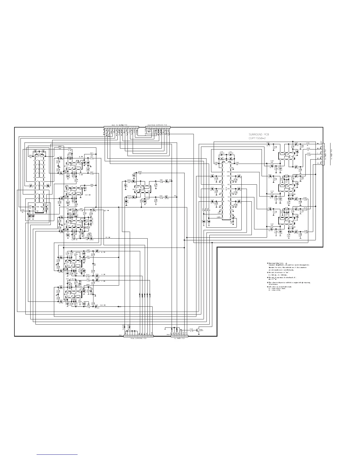
SURROUND CIRCUIT DIAGRAM

Other manuals for NAD L76

Related product manuals