EasyManua.ls Logo

NAD M25 C - Page 12

NAD M25 C
46 pages
Print Icon
To Next Page IconTo Next Page
To Next Page IconTo Next Page
To Previous Page IconTo Previous Page
To Previous Page IconTo Previous Page
Loading...
-62V_4
STBY
-62V_3
DGNDDGNDDGNDDGND
SCP_4
+62V_3
SCLED
+62V_4
+8V
+8V
DGND
SCLED
SCN_4
SCP_3
SCN_3
+62V_3
-62V_3
SCP_4
-62V_4
+62V_4
STBY
SCP_3
SCN_4
SCN_3
SCN_3
SCP_4
DGND
STBY
SCP_3
+62V_3
+8V
-62V_3
SCLED
+62V_4
-62V_4
SCN_4
/1%
/1%
/1%
/1%
/1%
/1%
/1%
/1%
/1%
/1%
/1%
/1%
/1/2W
/1/2W
/1/2W
/1/2W
/1%
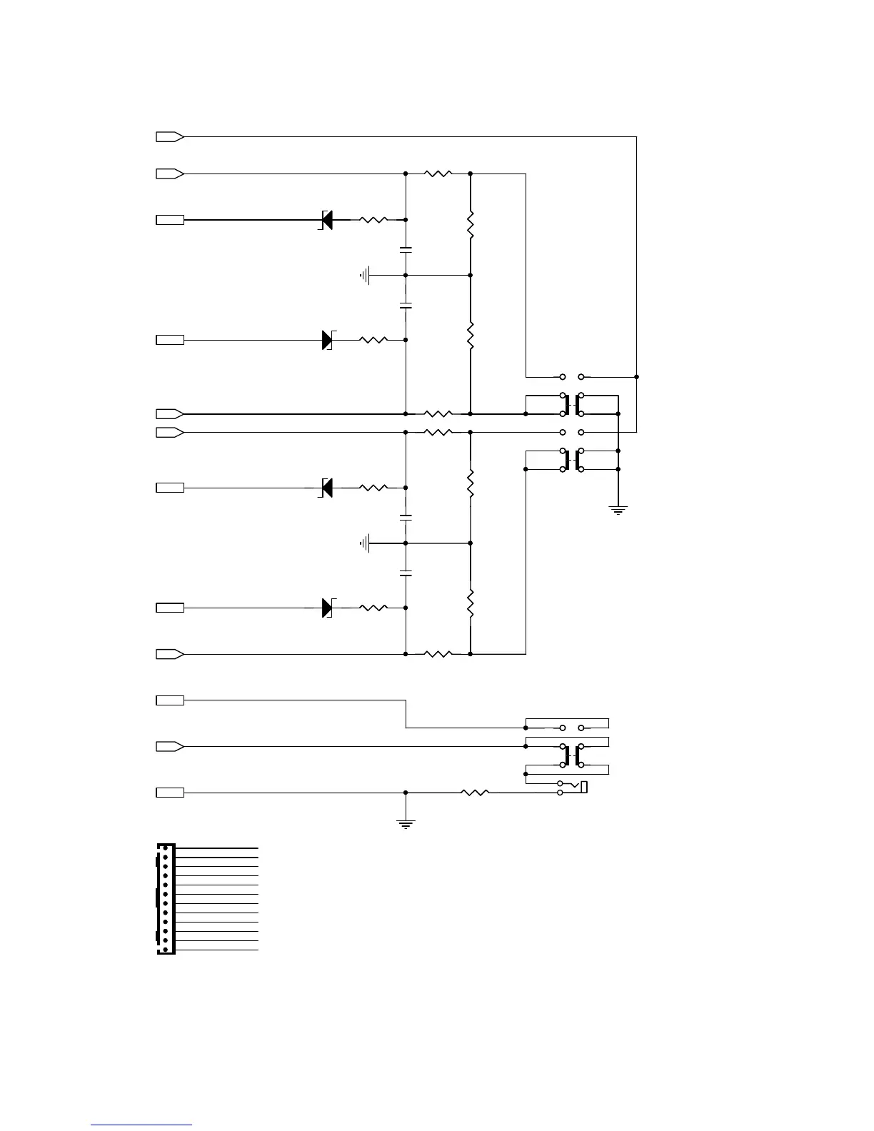
All Polyester capacitors are 63V unless noted.
All Elec. capacitors are 50V unless noted.
All Resistor are 1/6W unless noted.
R410
1K
R410
1K
D401
24V
D401
24V
+
C404
10uF
+
C404
10uF
D404
24V
D404
24V
S402
SSSU122NA1
S402
SSSU122NA1
5
6
41
2
3
J401
PY301-030-100
J401
PY301-030-100
R407
1K
R407
1K
R408
1K
R408
1K
R412
1K
R412
1K
R405
1K
R405
1K
P401B
12PIN2.0-C
P401B
12PIN2.0-C
1
2
3
4
5
6
7
8
9
10
11
12
+
C403
10uF
+
C403
10uF
R404
27K
R404
27K
+
C402
10uF
+
C402
10uF
R411
1K
R411
1K
R413
1K
R413
1K
S401
SSSU142NA1
S401
SSSU142NA1
1
2
3
4
5
6
7
8
9
10
11
12
R401
27K
R401
27K
R406
1K
R406
1K
R403
27K
R403
27K
R402
27K
R402
27K
D403
24V
D403
24V
R409
1K
R409
1K
D402
24V
D402
24V
+
C401
10uF
+
C401
10uF
SCHEMATICS DIAGRAM-
- 12 -

Related product manuals