EasyManua.ls Logo

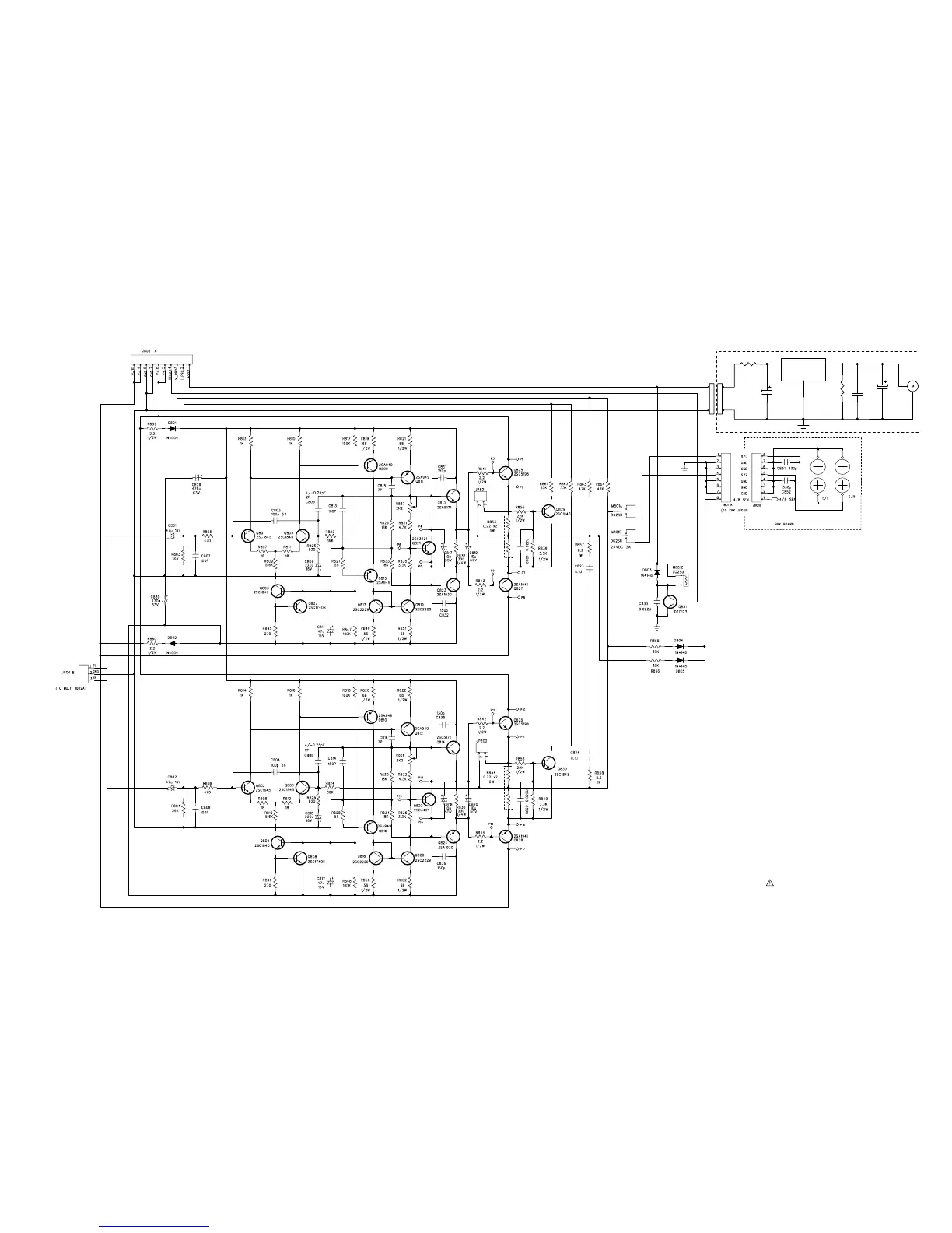
NAD T 751 - Surround Amplifier Schematic

NAD T 751
64 pages
Print Icon
To Next Page IconTo Next Page
To Next Page IconTo Next Page
To Previous Page IconTo Previous Page
To Previous Page IconTo Previous Page
Loading...
31 32
(TO FRONT AMP J802B)
C003
0.022u
C001
47u/50V
M002
M001C834
R002
10R 1/2W
Vin
1
GND
2
Vout
3
U001
7812
R001
4K7
C002
10u/16V
(MF)
(MF)
(CC)
(CC)
(CC)
(CC)
(CC)
(CC)
(CC)
(CC)
(CC)
(CC)
(MF)
(MF)
(MF)
(MF)
(MF)
(MF)
(MF)(MF)
(MF)(MF)
(MF)(MF)
SURROUND AMPLIFIER
NOTE: 1. RESISTORS ARE CARBON FILM 5% 1/8W UNLESS OTHERWISE SPECIFIED.
CC - CERAMIC CASE
MF - METAL FILM
2. CERAMIC CAPACITORS ARE 50V 10%. UNLESS OTHERWISE SPECIFIED.
3. COMPONENTS MARKED ā€œ ā€ ARE SAFETY CRITICAL PARTS.

Related product manuals