EasyManua.ls Logo

NAD T 751 - Exploded View

NAD T 751
64 pages
Print Icon
To Next Page IconTo Next Page
To Next Page IconTo Next Page
To Previous Page IconTo Previous Page
To Previous Page IconTo Previous Page
Loading...
70
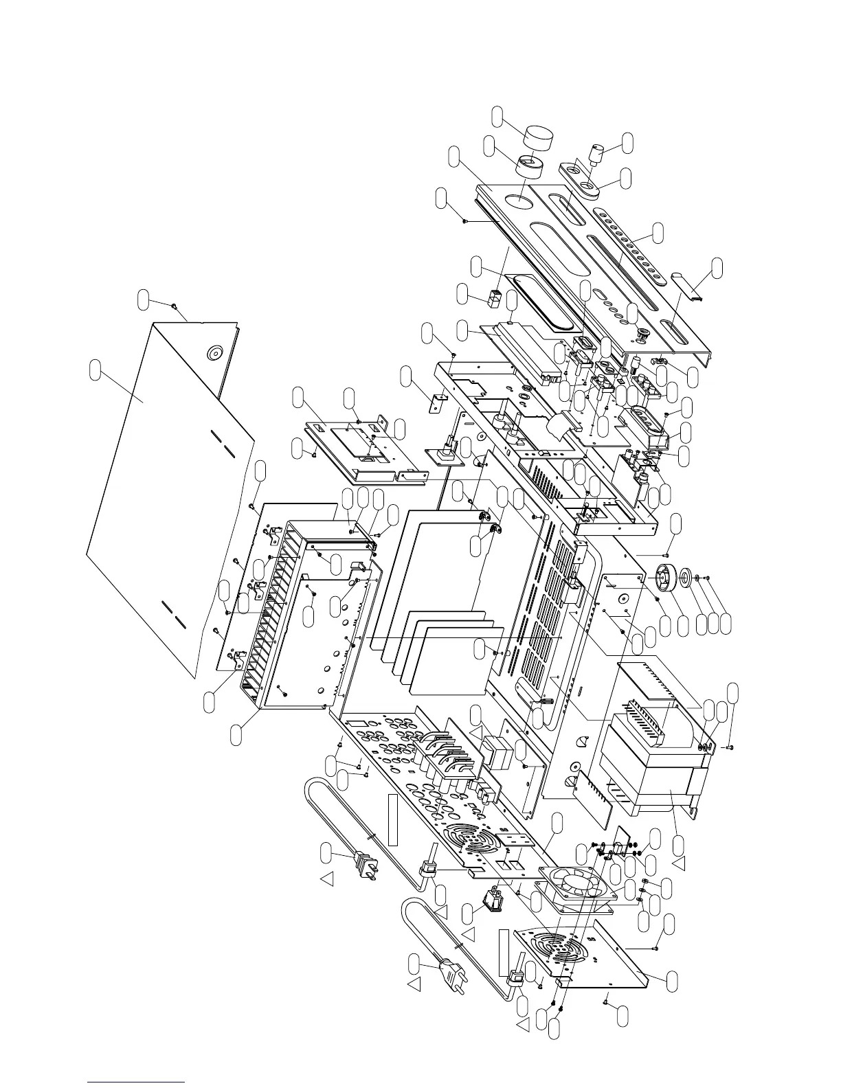
EXPLODED VIEW
0194
0194
0193
0138
M002
0182
0183
0205
0127
0126
0130
0143
0140
0139
0208
0142
0142
0148
0142
0148
0147
0146
0142
0144
0142
0141
0148
0148
0154
0154
0154
0148
0148
0148
0148
0148
0148
0162
0162
0146
0148
0148
0148
0147
0148
0148
0148
0148
0148
0148
0148
0148
0180
0181
0183
0182
AH VERSION
C VERSION
0148
0134
0134
0133
0133
0136
0137
0200
0108
0110
0109
0107
0104
0105
0102
0102
0101
0114
0106
0103
0129
0111
0124
0121
0118
0120
0119
0113
0115
0125
0116
0122
2118
0112
0132
!
!
!
!
!
!
T002
!
T752
0178
0128
0123
0131
0138

Related product manuals