EasyManua.ls Logo

NAD T531B - Power(Smps) Block Diagram

NAD T531B
69 pages
Print Icon
To Next Page IconTo Next Page
To Next Page IconTo Next Page
To Previous Page IconTo Previous Page
To Previous Page IconTo Previous Page
Loading...
3-14
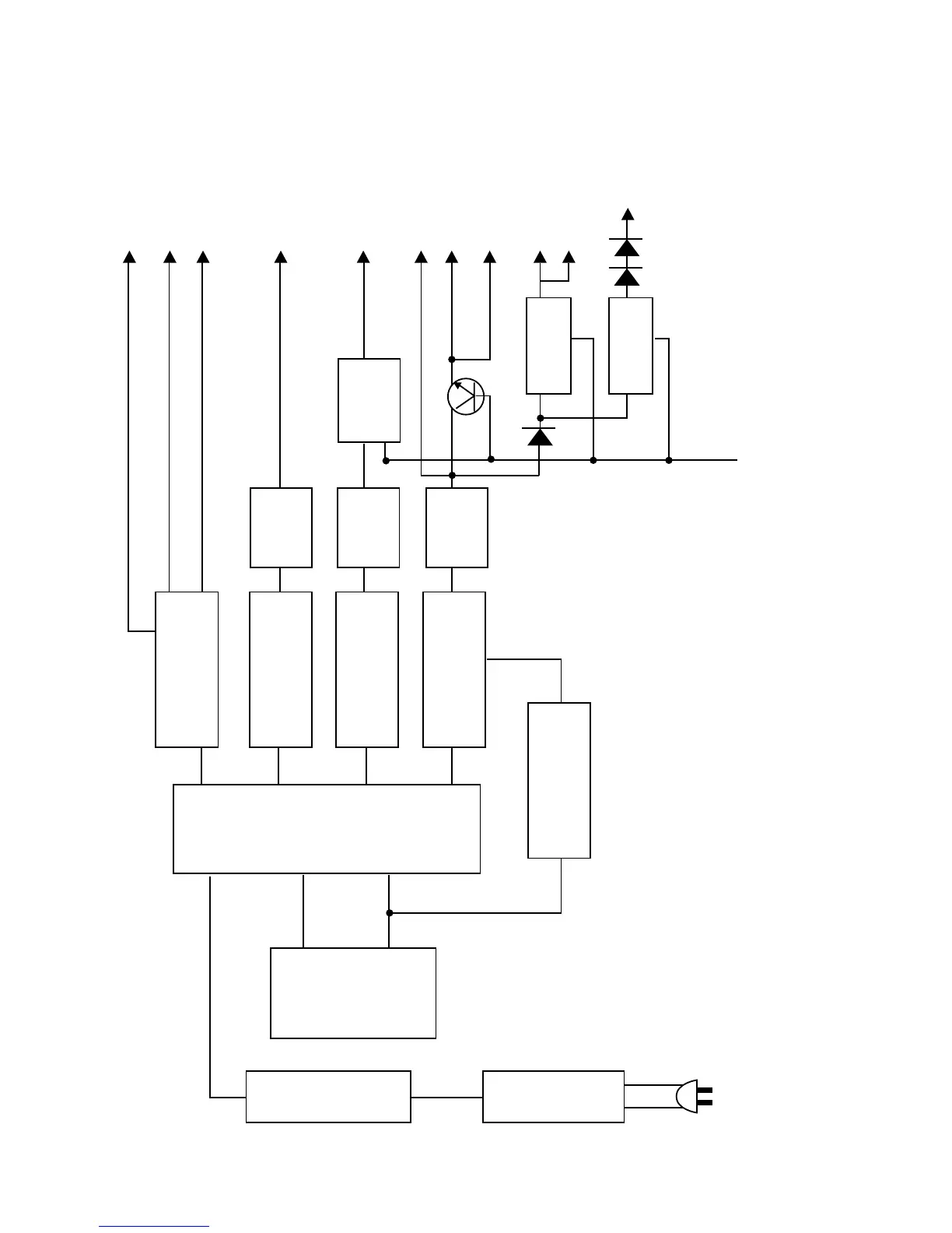
2. Power(SMPS) Block Diagram
RECTIFIER(FLD)
RECTIFIER LINE FILTER
RECTIFIER(14V) LPF
REG(8V)
REG(3.3V)
REG(3.3V)
PWR ON/OFF
F+
F-
-24VA
12VA
8V
5.2VA
5V_D
5V_A
3.3V
2.5V
LPF
RECTIFIER(9V)
RECTIFIER(5.2V)
3.3V.M
TRANS
LPF
FEED B.
SWITCHING TR
NAD

Related product manuals