EasyManua.ls Logo

NAD T531B - Block Diagrams; Overall Block Diagram

NAD T531B
69 pages
Print Icon
To Next Page IconTo Next Page
To Next Page IconTo Next Page
To Previous Page IconTo Previous Page
To Previous Page IconTo Previous Page
Loading...
3-12
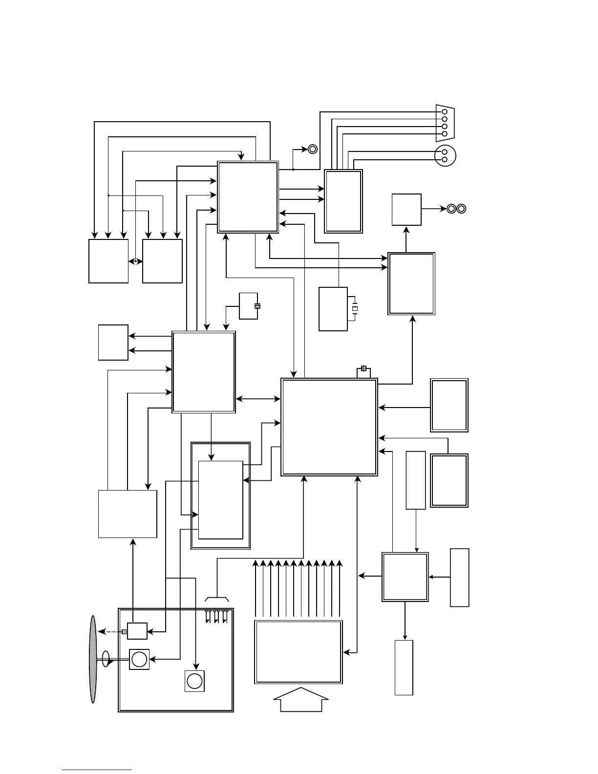
BLOCK DIAGRAMS
1. Overall Block Diagram (T531C ONLY)
DISC
SPINDLE
MOTOR
LOADING
MOTOR
Focus, tracking sled
VF+
VF-
-24V
8V
5.2VA
5V_A
5V_D
3.3V_M
3.3V
2.5V
8V
A.GND,D.NGD,M.GND
loading drive
spindle
loading
CD,DVD:A,B,C,D,E,F
MIRR,TZC
DVD_LDQM,DVD_SD,CSI
DVD_MA[0:11]
DVD_MD[0:15]
DVD_SD_CAS,
DVD_SD_RAS
DVD_SD_CLK
DVD_MWE
DVD_DATA[0:7]
DVD_SD_CSO,
DVD_UDQM
ICADDR[0:8]
ICDATA[00:15]
SDCLKI, ZISENB
REQZI
33.8688MHz
DA_DATA,
DA_LRCK,
DA_BCK
D[00:07]
IIC_DATA,
IIC_CLK
20MHz
A[00:02]
DA_XCK
Y.SEL
Y(G)
Pr(C,R)
Pb(B)
FE,TE,RFRP,SBADD,DVD/CD RF
TEBAL,FEBAL,
DPOCTL,EQF,EQB
MON,SPINDLE_DRV
FDO,TDO,
FMO
AC100-
240V,
50~
60Hz
FL DISPLAY
REMOCON
RECEIVER
KEY Input
SPINDLE_FG
POWER CONTROL
SENS,FOK,MIRR
MSDATO,DEFECT,DSP_SENSE,
SQSO,SQCK,SCOR,AO[0:5]
XLAT,S_CLK,S_DATA,DO[0:7]
PICK
UP
IC2A1
33P3721
RF Signal
Processor
IC205
DRAM
GM7IC4260CJ
256K x 16bit
IC201
DVDSP-3301
CD/DVD DSP
DVD SERVO
IC501
SH7034
MAIN
u-COM
IC301
ZiVA-4.1
MPEG A/V
Decoder
SW602
SLD SW
IC302
GM72V1621
1M x 16bit
SDRAM
IC303
GM72V1621
1M x 16bit
SDRAM
IC304
CLOCK
GENERATOR
IC206
CLOCK
IC2M1
FAN8727
Motor Driver
POWER
BOARD
IC901
µPD78032
OPEN S/W
CD DECK MECHANISM
CLOSE S/W
LIMIT S/W
M
M
DAC_LO,
S_CLK,
S_DATA
DA_DATA,
DA_LRCK,
DA_BCK
Y
S-Video SCART
C
27MHz
X-TAL
L/R
AMP
L/R
CVBS(RCA)
CVBS
IC401
PCM1716
AUDIO
DAC
IC502
FLASH
ROM
IC503
DRAM
NAD
R G B

Related product manuals