EasyManua.ls Logo

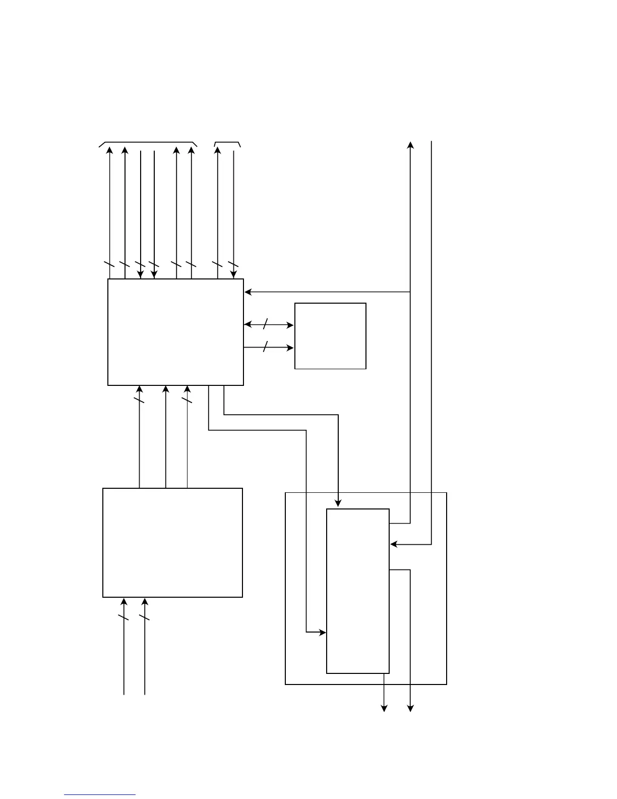
NAD T531B - RF;CD DSP;DVD DSP;DVD Servo Block Diagram

NAD T531B
69 pages
Print Icon
To Next Page IconTo Next Page
To Next Page IconTo Next Page
To Previous Page IconTo Previous Page
To Previous Page IconTo Previous Page
Loading...
3-15
IC2A1
33P3721
RF Signal
Processor
IC206
DVDSP-3301
CD/DVD DSP
DVD SERVO
IC205
DRAM
256K x 16bit
IC2M1
FAN8727
SpindleMotor,LoadingMotor,
Actuator Driver
PICK
UP
DVD:A,B,C,D,
FE,TE,PI,SBADD
SENS,FOK,SLD_FG,
MSDATO,DEFECT,DSP_SENSE
SQSO,SQCK,SCOR
XLAT,S_CLK,S_DATA
DSP_CS,/WR,/RD
DO[0:7]
AO[0:5]
DVD_DATA[0:7]
MCK
UCOM
I/F
MPEG
I/F
UCOM
I/F
M/D
DVD/CD RF
MIRR,TZC
ICADDR[0:8]
ICDATA[00:15]
MON,MDP
FDO,TDO,FMO
Spindle
focus,tracking,loading,sled
SPINDLE_FG
Load open/close(loading control)
CD:A,B,C,D/E,F
4
4
5
3
3
3
8
6
8
8
2
4
9
16
NAD
3. RF/CD DSP/DVD DSP/DVD SERVO Block Diagram

Related product manuals