EasyManua.ls Logo

NAD T531B - Μ-COM Block Diagram

NAD T531B
69 pages
Print Icon
To Next Page IconTo Next Page
To Next Page IconTo Next Page
To Previous Page IconTo Previous Page
To Previous Page IconTo Previous Page
Loading...
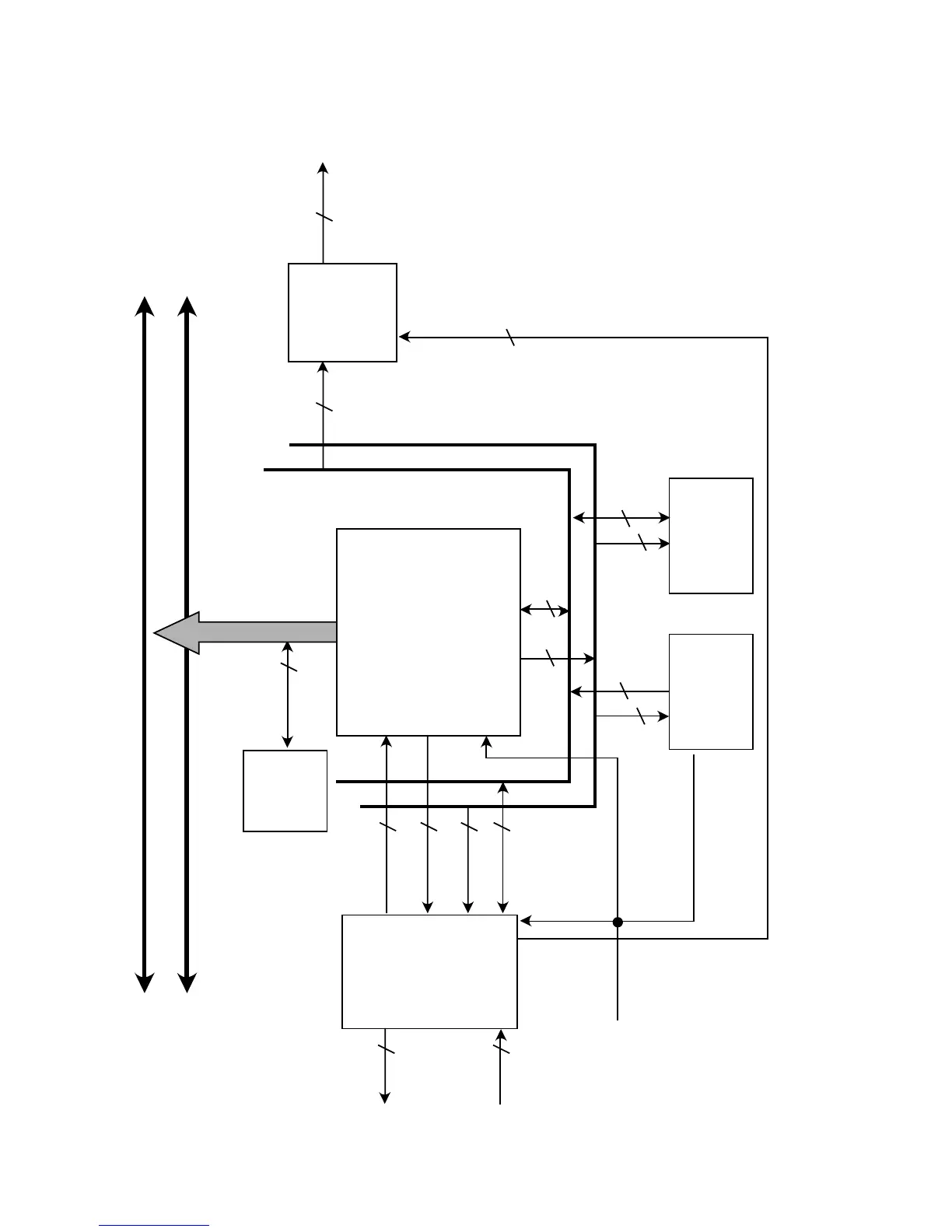
6. µ-COM Block Diagram
AV JACK
I/F
IC506
XC9536
IC502
FLASH
ROM
FRONT
I/F
IC503
DRAM
IC505
74HC374
IC501
SH6417034
MPEG
I/F
SERVO
I/F
DSP
I/F
IC504
EEPROM
2402
16:9,SYSTEM_SW
LD_ON,LOAD CLOSE,MIRR,ACT_MUTE
LOAD_OPEN,SPINDLE_FG,SLD_FG,
D[00:07],A[00:02],IIC_CLK,IIC_DATA,SCLK0, MPEG_RST
,MPEG_INT,V_MUTE,A_MUTE,DAC_RST,Y_SEL
MPEG_ERROR
,DAC_L0
,RF_LAT
,/DSP_CS
,/MPEG_CS
,/PP_CS 16:,
,Y_SEL
,,MPEG_RST
PWR_CTL
,SENS,LIMIT_SW
,MIC_ON,CLOSE_SW
,OPEN_SW,MPEG_WAIT
,16:9,,MPEG_RST
,M_RESET
M_RESET
,RXD0
,TXD0
,SCK0
,F_REQ
,MODE_SW
,M_REQ,
,ECHO
IIC_CLK
,IIC_DATA
SENS_MCOM
, MICOM_WAIT
/IOCS1,/WR
D[00:04]
A[19:21]
A[01:19]
D[00:15]
A[01:09]
D[00:15]
A[01:21] D[00:15]
D[00:07]
DAC_RST
,E_DR
,/S_XRST
,XLAT
,ACT_MUTE
,LOAD_OPEN
,LOAD CLOSE
,/PWR_RST
EXP_W2
,/PWR_CTL
2
2
2
88
8
10
2
2
2
19
16
9
16
16
D[00:07],A[00:05], ,E_SIN,E_CLK
LOAD_FR,F/R,LOCK,DEFECT,FOK
DSP_SENSE,
NAD
3-18

Related product manuals