EasyManua.ls Logo

NAD T531B - Circuit Diagrams; Power (SMPS) Circuit Diagram

NAD T531B
69 pages
Print Icon
To Next Page IconTo Next Page
To Next Page IconTo Next Page
To Previous Page IconTo Previous Page
To Previous Page IconTo Previous Page
Loading...
NOTES) Warning
NOTES) Parts that are shaded are critical
NOTES) With respect to risk of fire or
NOTES) electricial shock.
NOTES : Symbol denotes AC ground.
Symbol denotes DC chassis ground.
NAD
3-19 3-20
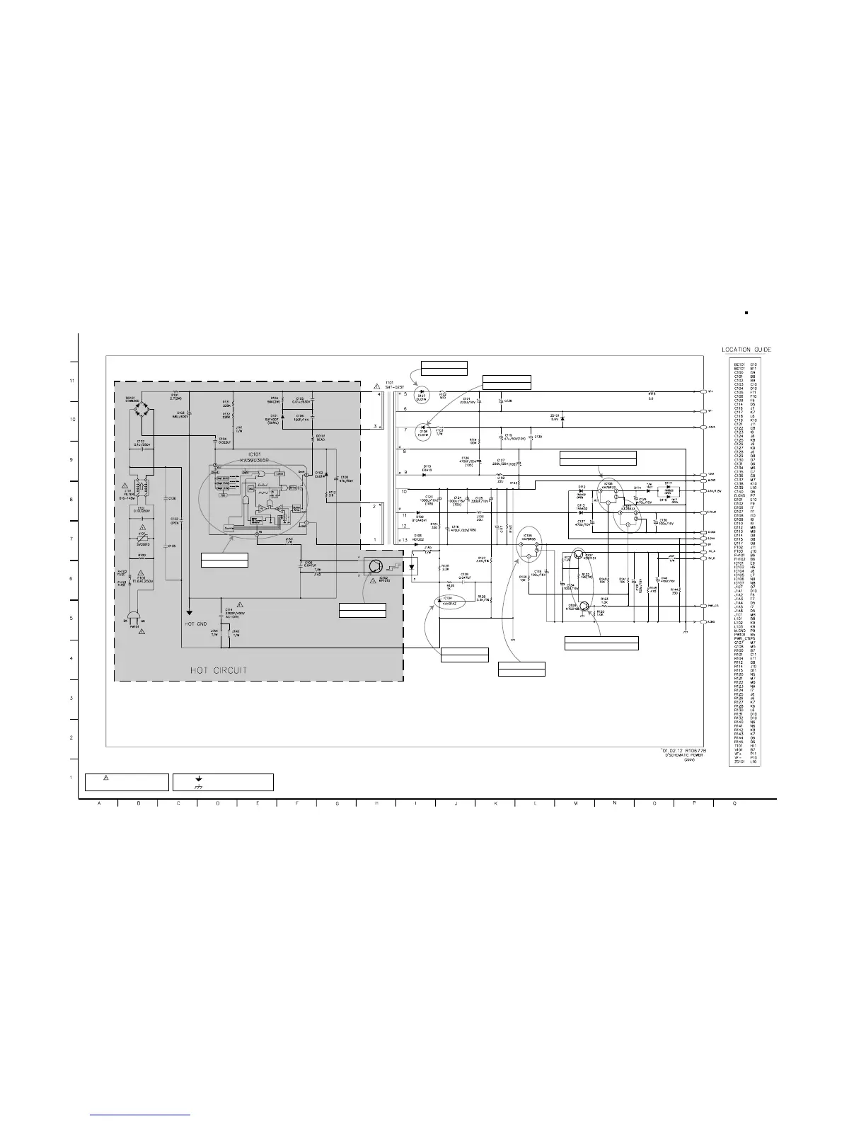
CIRCUIT DIAGRAM
1. POWER(SMPS) CIRCUIT DIAGRAM (T531B, T531C ONLY)
IMPORTANT SAFETY NOTICE
WHEN SERVICING THIS CHASSIS, UNDER NO CIR-
CUMSTANCES SHOULD THE ORIGINAL DESIGN BE
MODIFIED OR ALTERED WITHOUT PERMISSION
FROM THE NAD ELECTRONICS CORPORATION. ALL
COMPONENTS SHOULD BE REPLACED ONLY WITH
TYPES IDENTICAL TO THOSE IN THE ORIGINAL CIR-
CUIT. SPECIAL COMPONENTS ARE SHADED ON THE
SCHEMATIC FOR EASY IDENTIFICATION.
THIS CIRCUIT DIAGRAM MAY OCCASIONALLY DIF-
FER FROM THE ACTUAL CIRCUIT USED. THIS WAY,
IMPLEMENTATION OF THE LATEST SAFETY AND
PERFORMANCE IMPROVEMENT CHANGES INTO
THE SET IS NOT DELAYED UNTIL THE NEW SERVICE
LITERATURE IS PRINTED.
NOTE :
1. Shaded( ) parts are critical for safety. Replace only
with specified part number.
2. Voltages are DC-measured with a digital voltmeter
during Play mode.
Power dead.
IC101 is defective.
Power dead.
IC102 is defective.
VF+ power dead.
D107 is defective.
-24VA power dead.
D108 is defective.
3.3V power dead.
IC106 and IC107 are defective.
Power control is abnormal.
Q107 and Q108 are defective.
8V Power dead.
IC105 is defective.
Power dead.
IC104 is defective.

Related product manuals