EasyManua.ls Logo

NAD T585 - Detailed Circuit Diagrams

NAD T585
73 pages
Print Icon
To Next Page IconTo Next Page
To Next Page IconTo Next Page
To Previous Page IconTo Previous Page
To Previous Page IconTo Previous Page
Loading...
9
5
3
1
17
14
15
13
12
11
10
16
18
7
%&.$&
%
'%
57
17&'
&
X9
5
.
5
.
'
)5
&
X9
'
)5
5
.:
&
.9
5
5
8
3&
'
)5
'
)5
5
.
'
9
&
X9
5
.
4
$
5
.
'
)5
5
5
5
.
8
7/
5
.
&
XY
5
.

5
.

5
.
&
39
5
N
&
8
4
&
5
.
)+
)86(B+2/'(5
1
2
-
/
P+
&
X9
&
X9
&
X9
/
8+
5
.
'
6565
Vi
1
Vo
2
g
3
Vd
4
8
.$5
5
.
&
X9
&
X
/
X+
'
65
/
X+
&
89
&
X9
9&&$
$*1'
9&&$
4
&
&
Q9
4
&
4
&
4
&
4
$
5
.
5
.
5
.
5
.
5
.
5
.
5
.
+5VD
-22V
5
0<*'.
96
9'
'*1'
9'
96
6*1'
96
+5VS
&
X9
Vi
1
Vo
2
g
3
Vd
4
8
.$5
&
X9
&
X
3.3VD
+5VD
9&&$
67%
9&&$
'
)5
&
X9
/
X+
+5VD
4
.6$
5
.
4
&
5
5:
5
.
9&&$
9&&$
&
X9
'*1'
4
.6&
5
N
5
.
+3.3VV
99
5
5
9'
&
X9
9'
a$&,1
-22V
VF+
VF-
VF+
VF-
9&&$
9&&$
99
*1'
*1'
99
9
9)
9)
&
X
&
89
&
89
STB
STB
Vi
1
Vo
2
g
3
Vd
4
8
.$5
3.3VD
5
.
99
9'
9'
9'
67%
96
GND
1
Vcc
2
Vfb
3
Ipk
4
Vstr
5
Drain
6
Drain
7
Drain
8
8
)6'051%
&
39
&
39
5 5:
CT81-400VAC 14d-2E4-332M-YA
CT81-400VAC 08d-2E4-101K-YA
YA ---X1 Y1
&
X9
600mA
Vi
1
Vo
2
g
3
Vd
4
8
.$5
+5VS
'
1
5
N
&
X9
600mA
5 5:
5
.1$
AC SOCKET
6:,7&+
72-
9'
&"

1
2
3
4
5
6
7
8
9
10
11
12
13
14
15
J906
CON15*2MM
1
2
3
4
5
6
J907
TO VIDEO
+12V
+15V
-15V
Vin
1
GND
2
+12V
3
U902
MC78L12CP
Vin
2
GND
1
-15V
3
U901
MC79L15CP
&
89
R901
RES2
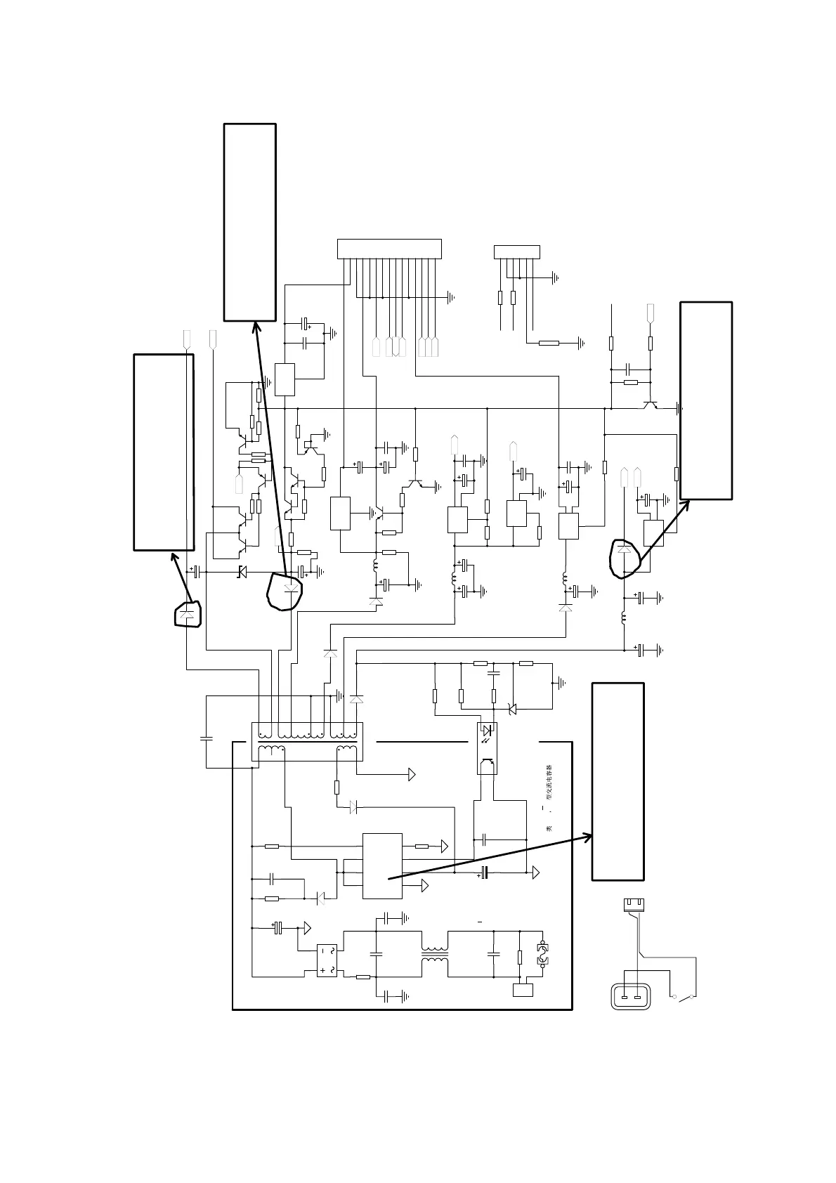
Power dead
U900 M
aybe defective
VF+ Power dead
D910 maybe defactive
-22V dead
D912 Maybe defective
+5VD dead
D916 Maybe defective
CIRCUIT DIAGRAMS
1.POWER(SMPS) CIRCUIT DIAGRAM
3-29

Other manuals for NAD T585

Related product manuals