EasyManua.ls Logo

NAD T744 - Page 29

NAD T744
67 pages
Print Icon
To Next Page IconTo Next Page
To Next Page IconTo Next Page
To Previous Page IconTo Previous Page
To Previous Page IconTo Previous Page
Loading...
29
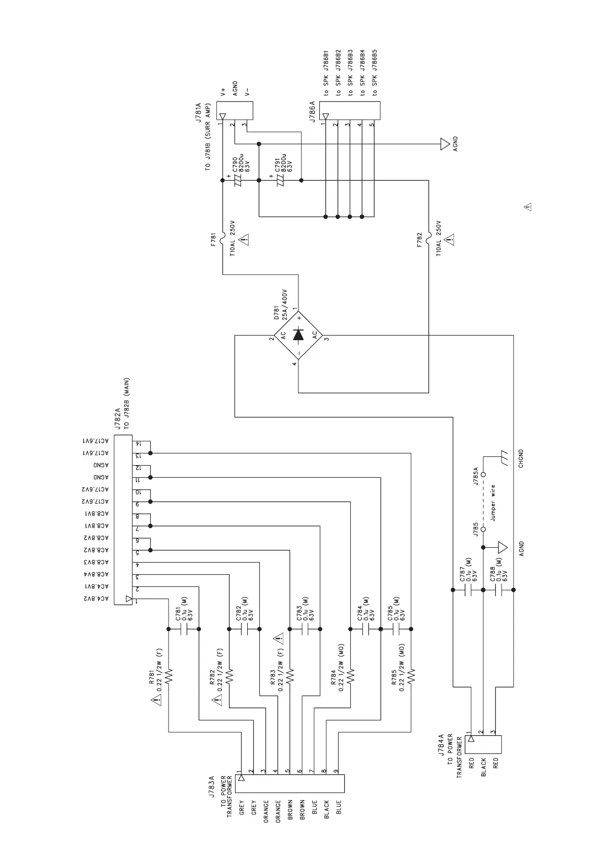
POWER SUPPLY (SECONDARY)
NOTE: 1. RESISTORS, UNLESS OTHERWISE SPECIFIED, ARE 1/6W, 5%.
2. COMPONENTS MARKED
ARE SAFETY CRITIAL PARTS.

Other manuals for NAD T744

Related product manuals