EasyManua.ls Logo

NAD T744 - Page 37

NAD T744
67 pages
Print Icon
To Next Page IconTo Next Page
To Next Page IconTo Next Page
To Previous Page IconTo Previous Page
To Previous Page IconTo Previous Page
Loading...
37
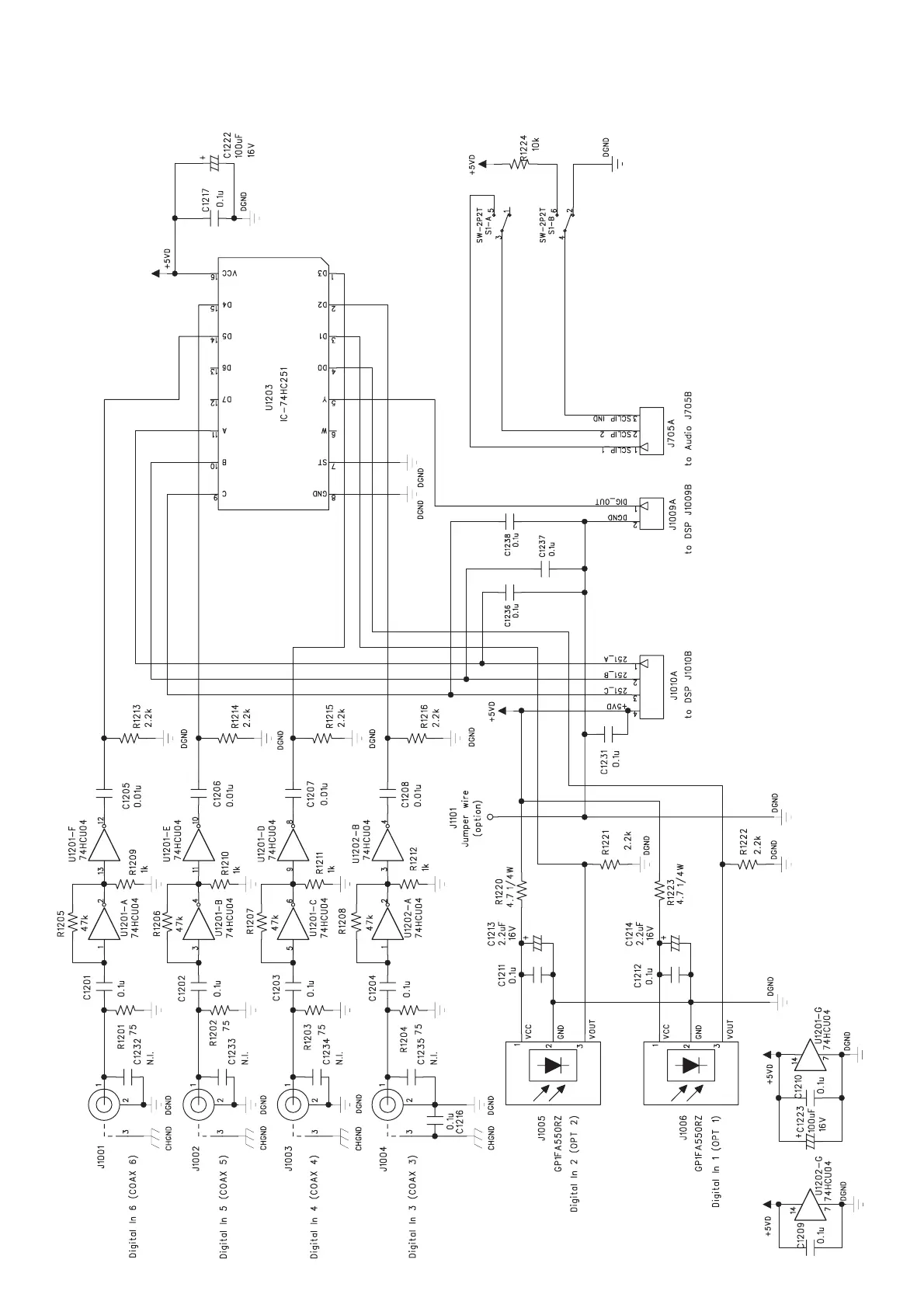
DIGITAL IN & OUT

Other manuals for NAD T744

Related product manuals