EasyManua.ls Logo

NAD T744 - Page 38

NAD T744
67 pages
Print Icon
To Next Page IconTo Next Page
To Next Page IconTo Next Page
To Previous Page IconTo Previous Page
To Previous Page IconTo Previous Page
Loading...
38
E B C
2SD600K
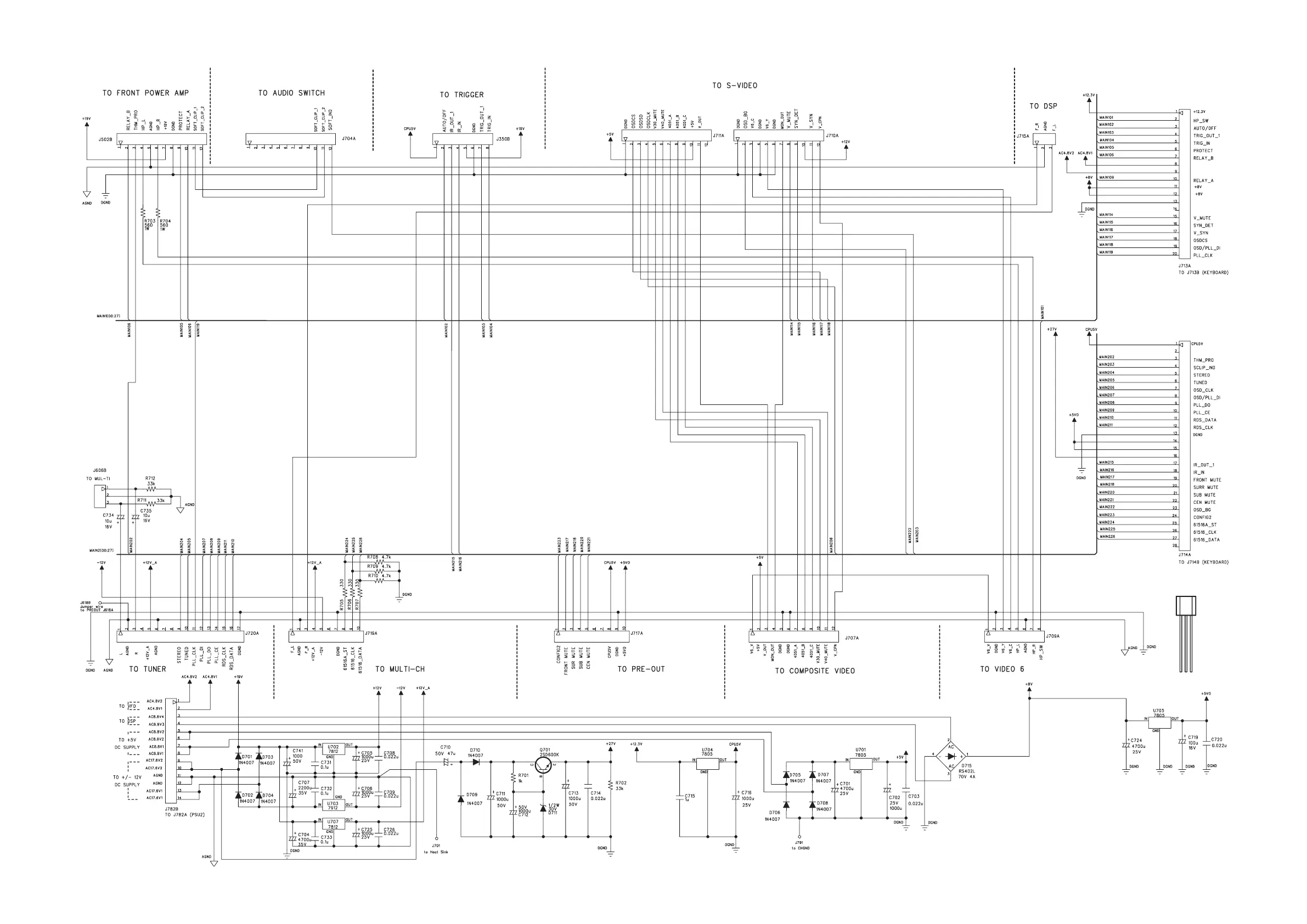
MAIN BOARD
NOTE:
1. RESISTORS, UNLESS OTHERWISE SPECIFIED, ARE 1/6W, 5%.
2. ALL CERAMIC CAPACITORS, UNLESS OTHERWISE SPECIFIED, ARE 50V, 10%.

Other manuals for NAD T744

Related product manuals