EasyManua.ls Logo

NAD T744 - Page 44

NAD T744
67 pages
Print Icon
To Next Page IconTo Next Page
To Next Page IconTo Next Page
To Previous Page IconTo Previous Page
To Previous Page IconTo Previous Page
Loading...
44
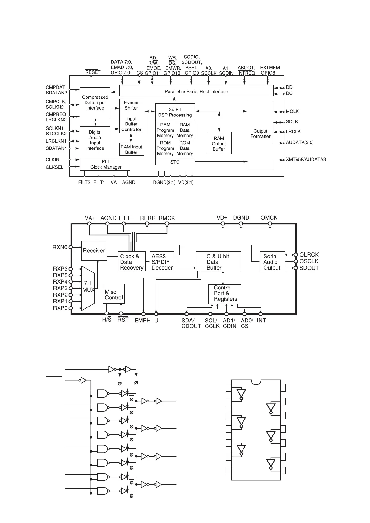
74HCU04
DIGITAL BOARD: U1201 & U1202
COMPONENT VIDEO: U4304
1A
1Y
2A
2Y
3A
3Y
GND
1
2
3
4
5
6
7
14
13
12
11
10
9
8
6A
V
CC
6Y
5A
5Y
4A
4Y
CS49326
DSP BOARD: U1001
74HC157
DSP BOARD: U1004
1
15
SELECT
STROBE
2
1A
1B
4
1Y
3
5
2A
2B
7
2Y
6
11
3A
3B
9
3Y
10
14
4A
4B
12
4Y
13
74HC157
DSP BOARD: U1004

Other manuals for NAD T744

Related product manuals