EasyManua.ls Logo

NAD T744 - Page 45

NAD T744
67 pages
Print Icon
To Next Page IconTo Next Page
To Next Page IconTo Next Page
To Previous Page IconTo Previous Page
To Previous Page IconTo Previous Page
Loading...
45
TCM810
KEYBOARD: U214
AT24C16
KEYBOARD: U210
SDAV
SS
SCL
WC
V
CC
/ E2
M24Cxx
1
2
3
4
8
7
6
5
/ E2/ E2/ E2NC
/ E1
/ E1/ E1/ NCNC
/ E0
/ E0/ NC/ NCNC
/1Kb
/2Kb/4Kb/8Kb16Kb
V
CC
R
ESET
**
(
R
ESET
)
G
ND
T
C
M
809
x
E
NB
T
C
M
810
x
E
NB
1
2
3
*
3
-
P
in
SOT
-
23
B
NOTE: *3-Pin SOT-23B is equivalent to JEDEC TO-236
** () is for TCM810
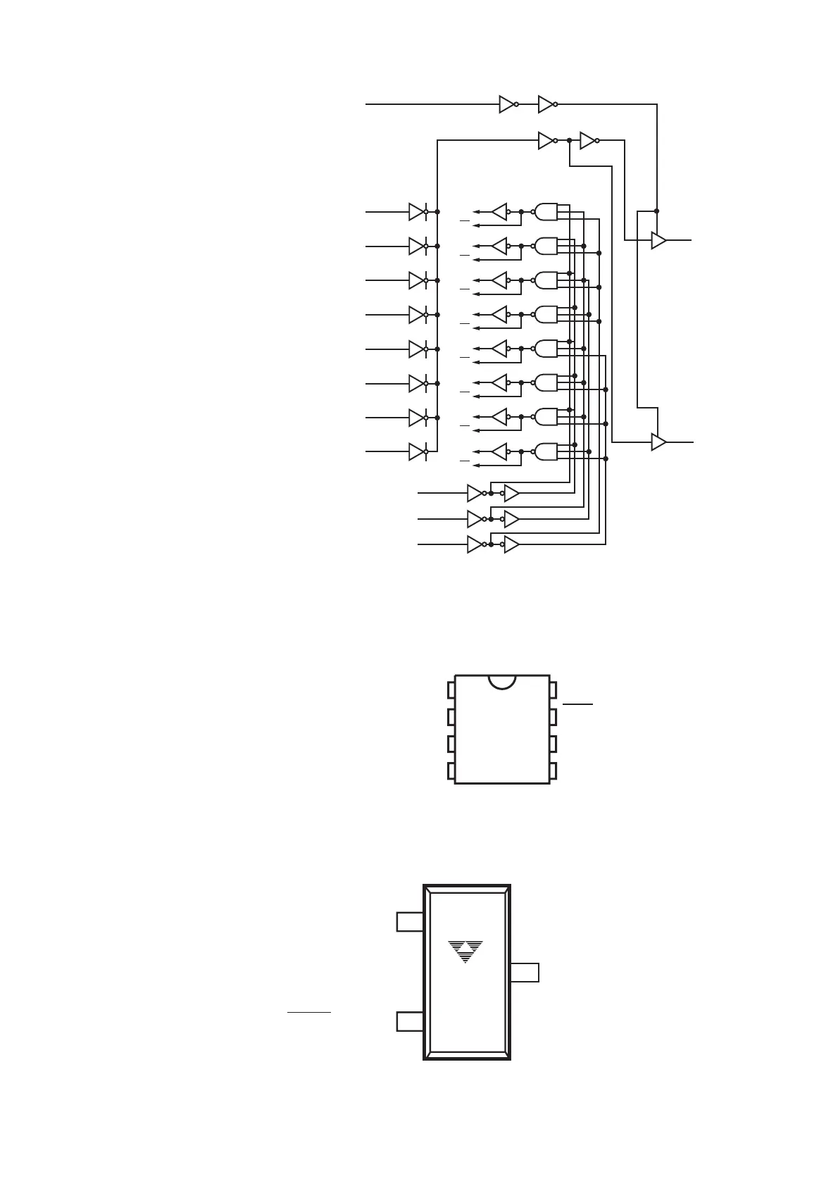
74HC251
DIGITAL BOARD: U1203
PIN4 D0
W PIN6
Y PIN5
PIN8 GND
PIN16 VCC
PIN7 STROBE
S0
PIN3 D1
S1
PIN2 D2
S2
PIN1 D3
S3
PIN15 D4
S4
PIN14 D5
S5
PIN13 D6
S6
PIN12 D7
PIN11 A
PIN10 B
PIN9 C
S7
S0
S0
S1
S1
S2
S2
S3
S3
S4
S4
S5
S5
S6
S6
S7
S7

Other manuals for NAD T744

Related product manuals