EasyManua.ls Logo

NAD T747 - Page 59

NAD T747
130 pages
Print Icon
To Next Page IconTo Next Page
To Next Page IconTo Next Page
To Previous Page IconTo Previous Page
To Previous Page IconTo Previous Page
Loading...
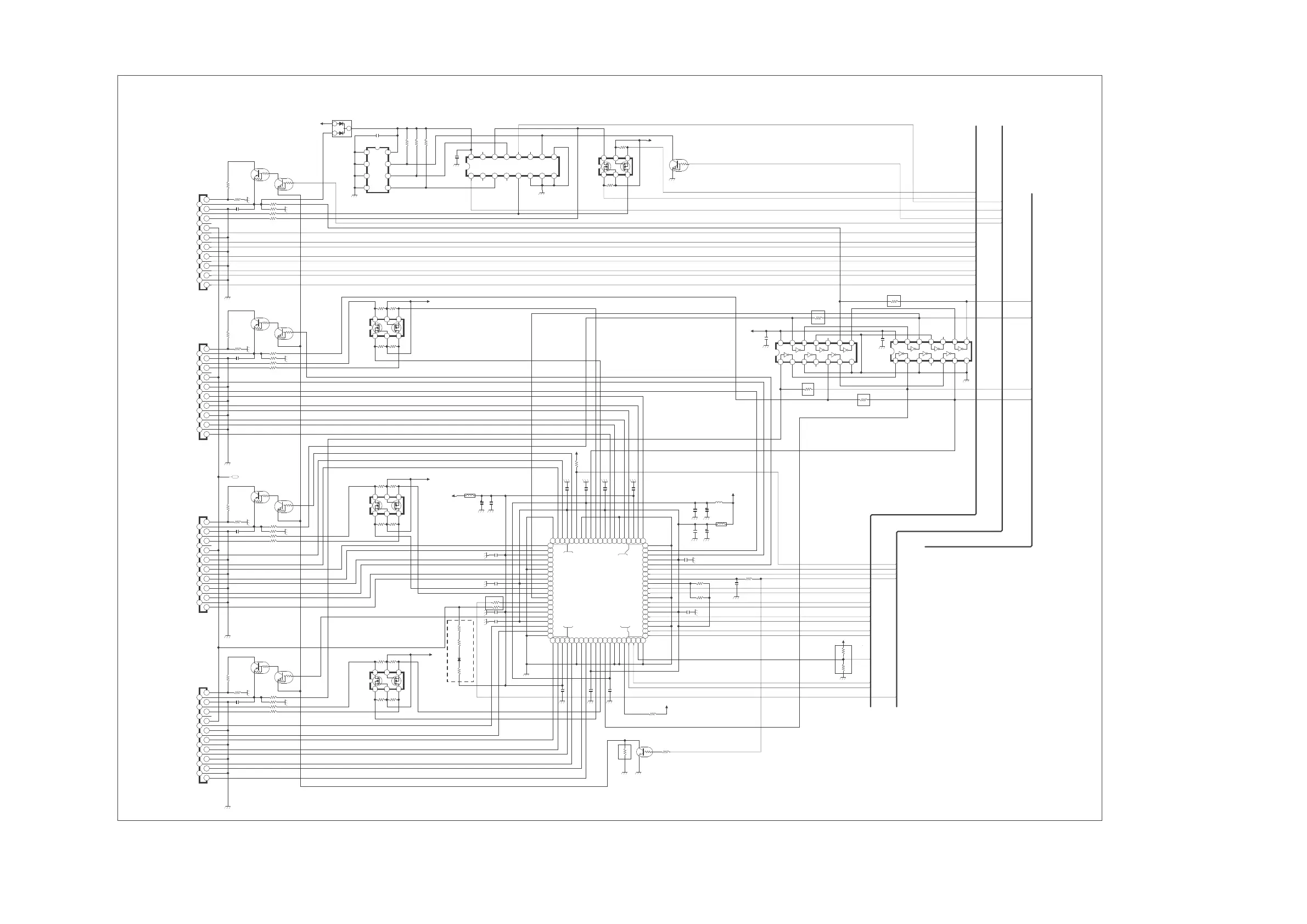
SCHEMATIC DIAGRAM (HDMI #4 PART)
3-61 3-62
HP DET
+5V
GND
DDC DATA
DDC CLK
NC
CE REMOTE
CK-
D1 SHIELD
CK+
D0-
D0+
D1 SHIELD
D1-
D2 SHIELD
D1+
D2-
D2 SHIELD
D2+
D2+
D2 SHIELD
D2-
D1+
D2 SHIELD
D1-
D1 SHIELD
D0+
D0-
CK+
D1 SHIELD
CK-
CE REMOTE
NC
DDC CLK
DDC DATA
GND
+5V
HP DET
HP DET
+5V
GND
DDC DATA
DDC CLK
NC
CE REMOTE
CK-
D1 SHIELD
CK+
D0-
D0+
D1 SHIELD
D1-
D2 SHIELD
D1+
D2-
D2 SHIELD
D2+
TX2+
INPUT-1
INPUT-2
INPUT-3
TX2-
AGND
TX1+
TX0-
TX0+
AVCC18
TX1-
RESET#
LSDA
LSCL
HPD0
EXTSWING
TXC-
TXC+
AGND
R0XC-
AVCC18
R0XC+
AGND
R0X0-
R0X0+
AVCC33
R0X1-
R0X1+
AGND
R0X2-
R0X2+
AVCC18
DSDA0
DSCL0
RPWR0
DVCC18
DGND
I2CSEL/INT
HPD1AVCC18
R1XC-
R1XC+
AGND
R1X0-
R1X0+
AVCC33
R1X1-
R1X1+
AGND
R1X2-
R1X2+
AVCC18
DSDA1
DSCL1
RPWR1
CEC_D
CEC_A
AVCC33
HPD2
AVCC18
R2XC-
R2XC+
AGND
R2X0-
R2X0+
AVCC33
R2X1-R2X1+
AGND
R2X2-
R2X2+
AVCC18
DSDA2
DSCL2
RPWR2
DVCC18
DGND
RSVDL
HPDIN
TSDA
TSCL
TPWR
AGND
HDMI SW PART
HP DET
+5V
GND
DDC DATA
DDC CLK
NC
CE REMOTE
CK-
D1 SHIELD
CK+
D0-
D0+
D1 SHIELD
D1-
D2 SHIELD
D1+
D2-
D2 SHIELD
D2+
INPUT-4
A0
A1
VSS
A2 SCL
SDA
VCC
WP
0Y
2Y
3Y
Y-O
VEE
GND
INH
1Y
X-O
1X
VCC
2X
3X
0X
B
A
N.C
N.C
N.C
1
2
3
4
5
6
7
8
9
10
11
12
13
14
15
16
17
18
19
JK143
R1425
47
R1426
47
C1403
0.1uF
C1417
0.1uF
C1401
0.1uF
R1406
47
R1405
47
R1401
22K
R1415
47
R1416
47
C1402
0.1uF
1
2
3
4
5
6
7
8
9
10
11
12
13
14
15
16
17
18
19
JK141
1
2
3
4
5
6
7
8
9
10
11
12
13
14
15
16
17
18
19
JK142
80
79
78
77
76
75
74
73
72
71
70
69
68
67
66
65
64
63
62
61
60
59 58
57
56
55 54
53 52 51 50
49
48 47 46 45
44
43 42 41
40
39
38
37
36
35
34
33
32
31
30
29
28
27
26
25
24
23
22
21
201918171615
14
13
12
11109
8
7654
3
21
IC141
1234567
891011121314
IC144
TC74VHCT14AFT
R1403
100
R1413
100
R1445
1K
R1444
1K
R1423
100
R1404
47K
R1414
47K
R1424
47K
R1446
1K
C1427
0.1uF
C1419
0.1uF
C1420
22/6.3V
L1403
L1402
C1422
22/6.3V
C1421
0.1uF
C1407
0.1uF
C1408
10/16V
L1401
C1413
0.1uF
C1414
0.1uF
C1415
0.1uF
C1412
0.1uF
C1411
0.1uF
C1409
0.1uF
C1410
0.1uF
C1426
0.1uF
C1425
0.1uF
C1424
0.1uF
C1423
0.1uF
C1418
0.1uF
C1416
0.1uF
R1402
1K
Q1402
KRC103S
Q1401
KRA102S
R1409
10K
R1408
10K
123
456
Q1403
CVTUPA672T
R1407
47K
R1410
47K
R1420
47K
R1417
47K
123
456
Q1406
CVTUPA672T
R1418
10K
R1419
10K
Q1404
KRA102S
Q1405
C103S
R1412
1K
R1411
22K
R1421
22K
R1422
1K
Q1408
C103S
Q1407
KRA102S
R1443
OPEN
R1442
OPEN
R1429
10K
R1428
10K
123
456
Q1409
CVTUPA672T
R1427
47K
R1430
47K
R1447
10K
R1448
0
Q1414
KRC111S
R1449
OPEN
1
2
3
4
5
6
7
8
9
10
11
12
13
14
15
16
17
18
19
JK144
R1435
47
R1436
47
C1404
0.1uF
R1433
100
R1434
47K
R1431
22K
R1432
1K
Q1411
C103S
Q1410
KRA102S
1234567
891011121314
IC145
TC74VHCT14AFT
C1428
0.1uF
8765
4321
IC143
AT24C02N
16 15 14 13 12 11 10 9
87654321
IC142
TC7MZ4052FK
123
456
Q1412
UPA672T
1
2
3
D1401
C1405
0.1
R1437
10K
R1438
47K
R1439
47K
C1406
0.1
Q1413
KRC103S
R1440
10K
R1441
10K
R1452
OPEN
R1453
OPEN
R1450
OPEN
R1451
OPEN
R1603
47K
R1604
OPEN
R1605
OPEN
R1606
OPEN
D1413
OPEN
R1607
OPEN
R1490
4.7K
DDC+5V
DDC+5V
DDC+5V
DDC+5V
CEC_A
HDMI_INPUT<-->TX&RX
TXC-
TXC+
TX0-
TX0+
TX1-
TX1+
TX2-
TX2+
D_CLK
D_DATA
HDMI_INTERFACE
SIL9185_INT
HDMI_SCL
HDMI_SDA
SIL9185_RESET
CEC_D
V_DGND
IN4_RXC-
IN4_RXC+
IN4_RX0-
IN4_RX0+
IN4_RX1-
IN4_RX1+
IN4_RX2-
IN4_RX2+
HDMI <-->MC U&DSP
DDC+5V
HDMI_SCL
HDMI_SDA
IN4_D_CLK
IN4_D_DATA
1.8V_HD(SII9185)
I_5V_CH2
I_5V_CH4
I_5V_CH3
I_5V_CH1
V_DGND
V_DGND
V_DGND
V_DGND
V_DGND
V_DGND
V_DGND
V_DGND
V_DGND
V_DGND
V_DGND
V_DGND
V_DGNDV_DGND
V_DGNDV_DGND
V_DGND V_DGND V_DGND
V_DGNDV_DGNDV_DGNDV_DGND
V_DGND V_DGND V_DGND V_DGND
V_DGND
V_DGND
V_DGND V_DGND
V_DGNDV_DGND
V_DGND
V_DGND
V_DGND
V_DGND
V_DGND
V_DGND
V_DGND
V_DGND
3.3V_HD_ALL
DDC+5VDDC+5V
3.3V_HD_ALL
P+5V
DDC+5V
V_DGND
WP4
HPD4
3.3V_HD_ALL

Other manuals for NAD T747

Related product manuals