EasyManua.ls Logo

NAiS FP0-C14RS

Default Icon
173 pages
To Next Page IconTo Next Page
To Next Page IconTo Next Page
To Previous Page IconTo Previous Page
To Previous Page IconTo Previous Page
Loading...
Control Units
FP0
2-20
Matsushita Automation Controls
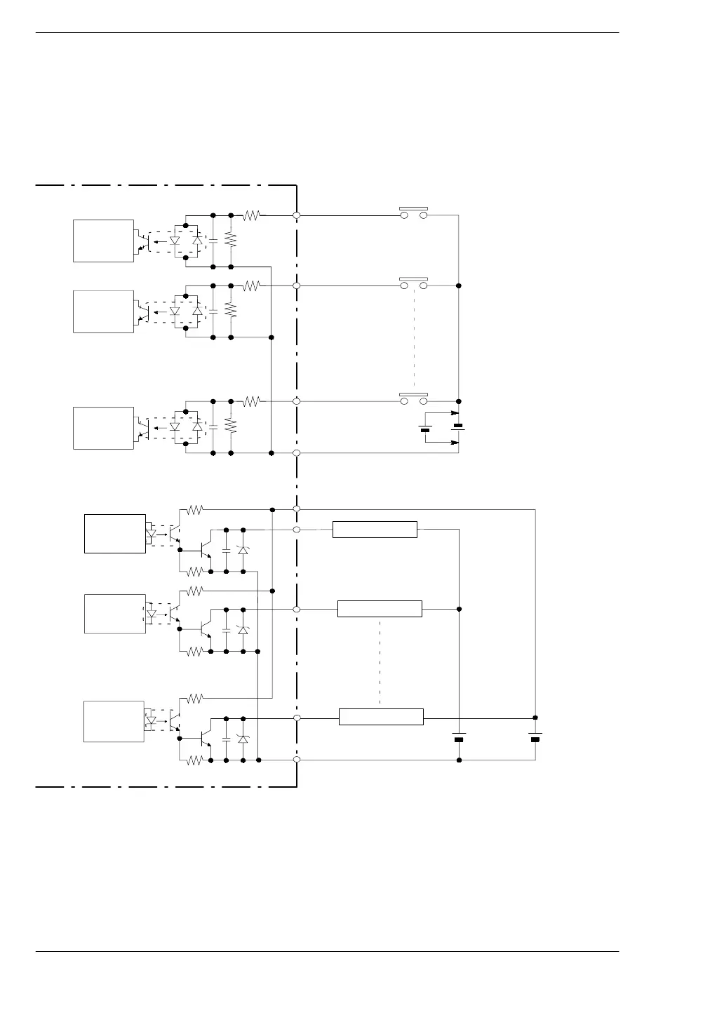
2.3 Internal Circuit Diagram
When the load voltage differs from the 24 V DC external power supply for the
driving the internal circuit
Other than 24 V DC load voltage, 5 V DC and 12 V DC and other load voltages can be
connected.
FP0-C16T/C16CT/C32T/C32CT
X0
X1
Xn
Internal
circuit
Internal
circuit
Internal
circuit
Y0
(+)
Y1
(-)
Yn
24 V DC
(External
power supply
for driving
internal circuit)
Load (for 24 V )
Load (for 5 V )
Load (for 5 V )
5V DC
(Rated load
voltage)
Internal
circuit
Internal
circuit
Internal
circuit
COM
5.6 k
Ω
(*
Note 1)
5.6 k
Ω
(*
Note
1)
24 V DC
(
*
Note 2)
5.6 k
Ω
(*
Note
1)
Input side
Output side
.
Notes
D
(
*
1): The resistor in the control unit is 2 k
for X0 through X5,
and 1 k
for X6 through XF.
D
(
*
2): Either positive or negative polarity is possible for the input
voltage supply.

Table of Contents

Related product manuals