EasyManua.ls Logo

NAPCO SLE-LTEV-CFB - Wiring Diagram for PRIMARY Reporting Configuration Generic Control Panels

NAPCO SLE-LTEV-CFB
20 pages
Print Icon
To Next Page IconTo Next Page
To Next Page IconTo Next Page
To Previous Page IconTo Previous Page
To Previous Page IconTo Previous Page
Loading...
10 StarLink
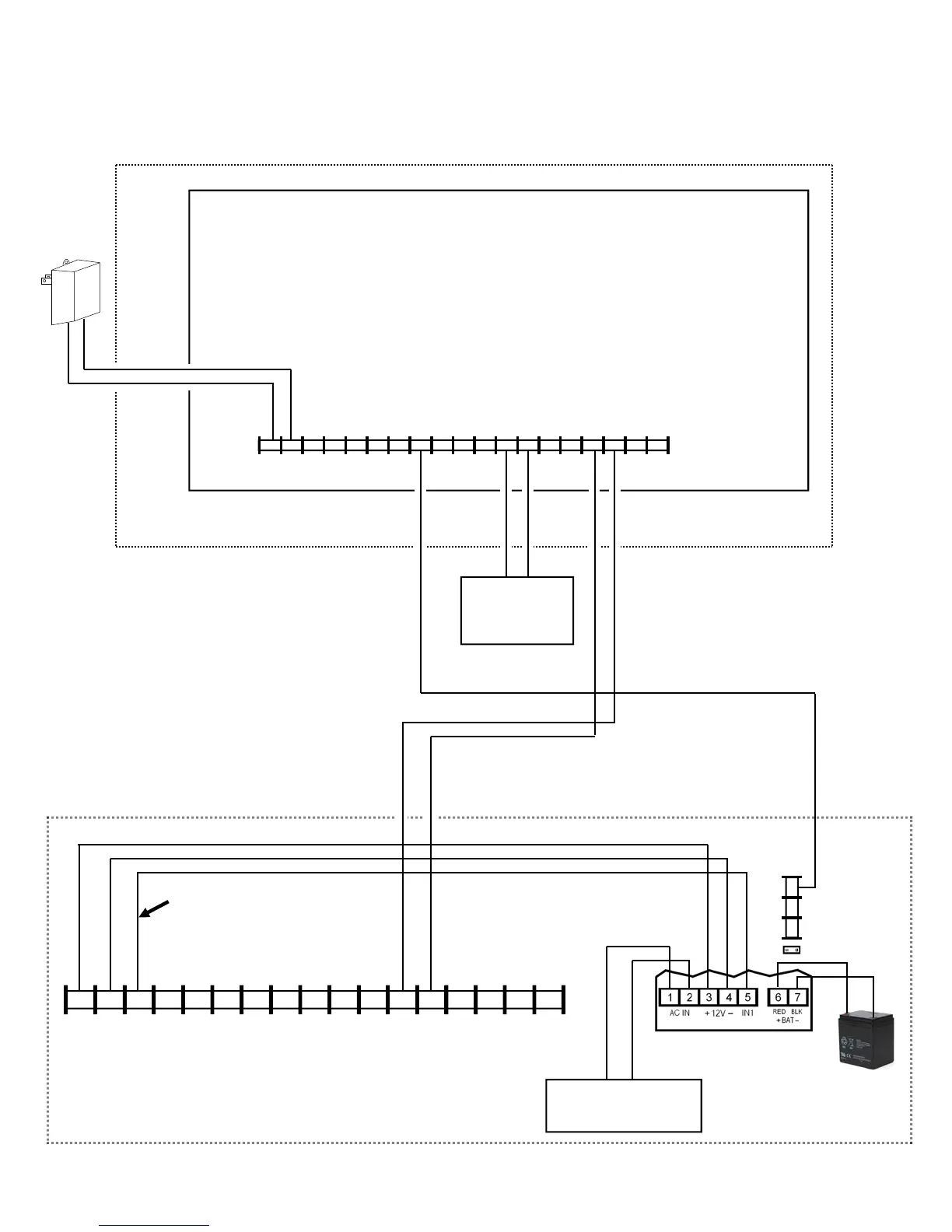
SLE-LTE Commercial Series Alarm Communicators -- Installation Instructions
Wiring Diagram for PRIMARY Reporting Configuration
Generic Control Panels
(Use when telephone line is NOT available)
CONTROL PANEL PC BOARD
(CONTROL PANEL HOUSING)
*Refer to section "SUPPLYING POWER".
(–) (+)
12VDC
AUX POWER
(RING)
(TIP)
6 7 8 15 14 13 12 11 9 10 2* 3 4 5 1*
+V
()
PGM1 PGM2 PGM3 IN1 IN2 GND IN3 RING TIP
17 16
RTS
(R)
PANEL
TX (B)
PANEL
RX (G)
CTS
Y
StarLink Radio Terminals
PANEL
RING (+)
PANEL
TIP (–)
(–) (+)
(STARLINK RADIO HOUSING)
Power Supply (SLE-ULPS-R)
Either the TRF12/T123 (16.5V /
20VA) transformer or the chas-
sis-mounted 16.5VAC / 20VA
transformer
Transformer
(optional)
Optional: When Power
Supply SLE-ULPS-R is not
used, connect Panel Aux
Power to StarLink terminals
1 and 2 (observing polarity)
Wire to dedicated zone on the control
panel for Supervision when the Power
Supply board (SLE-ULPS-R) is not used.
SLE-LTEV-CB-TF PC Board: All connections
are power limited except AC Mains, Telco and
battery terminals. Terminals 14-17: No connec-
tions permitted.
StarLink
BATTERY
(+)
RED
(–)
BLACK
8 9 10
N/C
COM
N/O
J2
Note: Battery leads
are not power limited
TBL INPUT
GND
Note: Connect IN2 to a
panel output used for
identifying Telco line cut (this
is the DACT interconnect
wiring to the radio).