EasyManua.ls Logo

NAPCO SLE-LTEV-CFB - Wiring Diagram for BACKUP Reporting Configuration Generic Control Panels

NAPCO SLE-LTEV-CFB
20 pages
Print Icon
To Next Page IconTo Next Page
To Next Page IconTo Next Page
To Previous Page IconTo Previous Page
To Previous Page IconTo Previous Page
Loading...
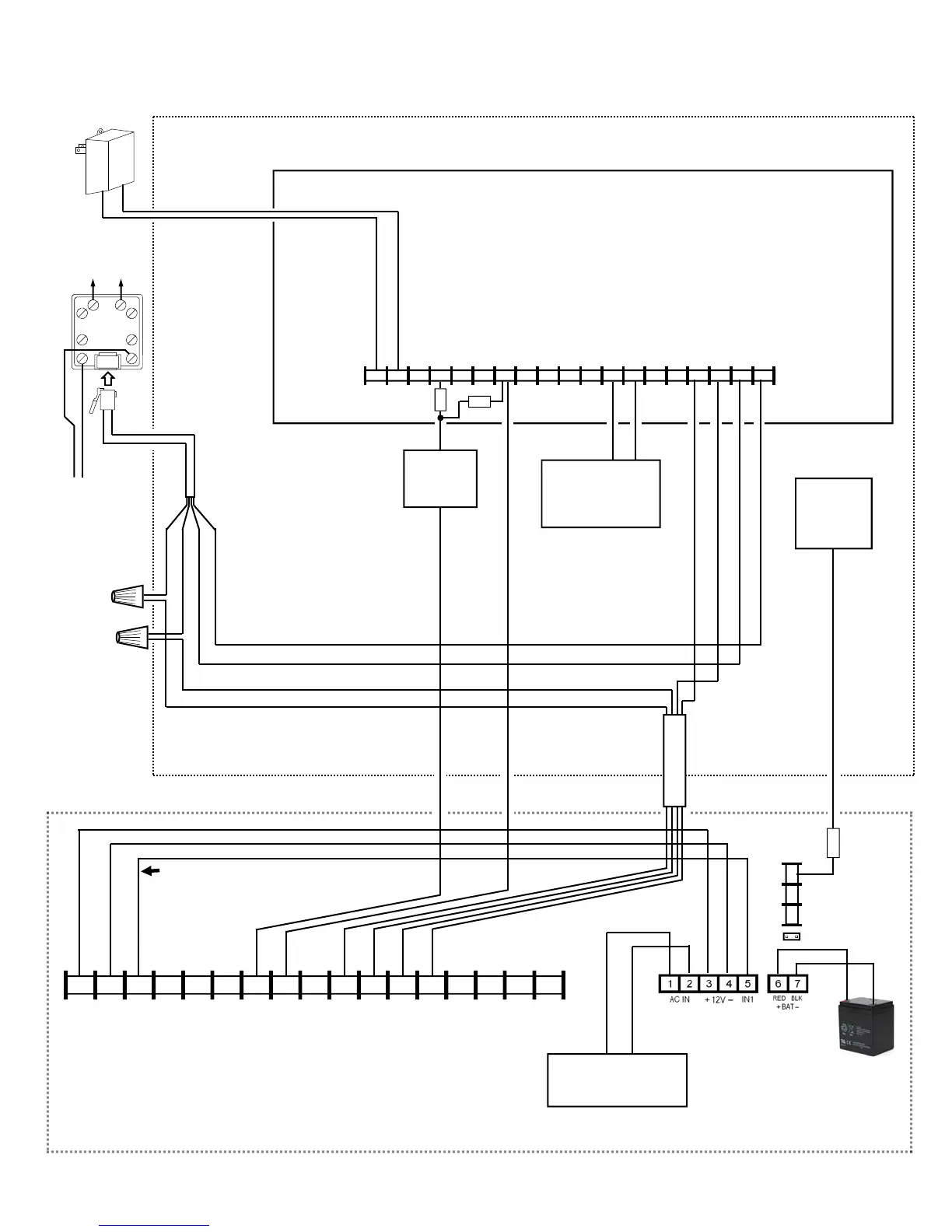
StarLink
SLE-LTE Commercial Series Alarm Communicators -- Installation Instructions 11
Wiring Diagram for BACKUP Reporting Configuration
Generic Control Panels
CONTROL PANEL PC BOARD
GRN
RED
BRN
GRAY
(CONTROL PANEL HOUSING)
GRN
RED
YELLOW
BLACK
*For StarLink termi-
nals 1 and 2: May
be wired directly to
Aux Power of the
control panel when
71mA standby
current is available
HOME
PHONES
TO TELCO
RJ31X
RING TIP
(–) (+)
12VDC
AUX POWER
(RING)
(TIP)
(RING)
(TIP)
(TELCO) (PHONE)
YELLOW (–)
BLACK (+)
StarLink
BATTERY
(+)
RED
(–)
BLACK
*Refer to section "SUPPLYING POWER".
6 7 8 15 14 13 12 11 9 10 2* 3 4 5 1*
()
PGM1 PGM2 PGM3 IN1 IN2 GND IN3 RING TIP
17 16
RTS
(R)
PANEL
TX (B)
PANEL
RX (G)
CTS
Y
PANEL
RING (+)
PANEL
TIP (–)
(STARLINK RADIO HOUSING)
Power Supply (SLE-ULPS-R)
Either the TRF12/T123
(16.5V / 20VA) transformer
or the chassis-mounted
16.5VAC / 20VA transformer
(optional)
Transformer
TELCO QUAD WIRE
Optional: When Power Supply
SLE-ULPS-R is not used,
connect Panel Aux Power to
StarLink terminals 1 and 2
(observing polarity)
ZONE (+)
DEDICATED
TO
SUPERVISION
8 9 10
N/C
COM
N/O
J2
EOLR
Wire to dedicated
zone on the
control panel for
Supervision when
the Power Supply
board (SLE-
ULPS-R) is not
used.
Note: Battery leads
are not power limited
StarLink Radio Terminals
SLE-LTEV-CB-TF PC Board: All connec-
tions are power limited except AC Mains,
Telco and battery terminals. Terminals 14-
17: No connections permitted.
TELCO
TBL
OUTPUT
Telco TBL
Output
Relay
10K
GND
10K
+V
Note: Connect IN2 to a
panel output used for
identifying Telco line cut
(this is the DACT
interconnect wiring to the
radio).