EasyManua.ls Logo

NAPCO SLE-LTEV-CFB - Wiring Diagram for PRIMARY Reporting Configuration GEMC-32, GEMC-96, GEMC-128 and GEMC-255 Control Panels; Special Wiring Instructions for GEMC-F8 ZCPIM

NAPCO SLE-LTEV-CFB
20 pages
Print Icon
To Next Page IconTo Next Page
To Next Page IconTo Next Page
To Previous Page IconTo Previous Page
To Previous Page IconTo Previous Page
Loading...
12 StarLink
SLE-LTE Commercial Series Alarm Communicators -- Installation Instructions
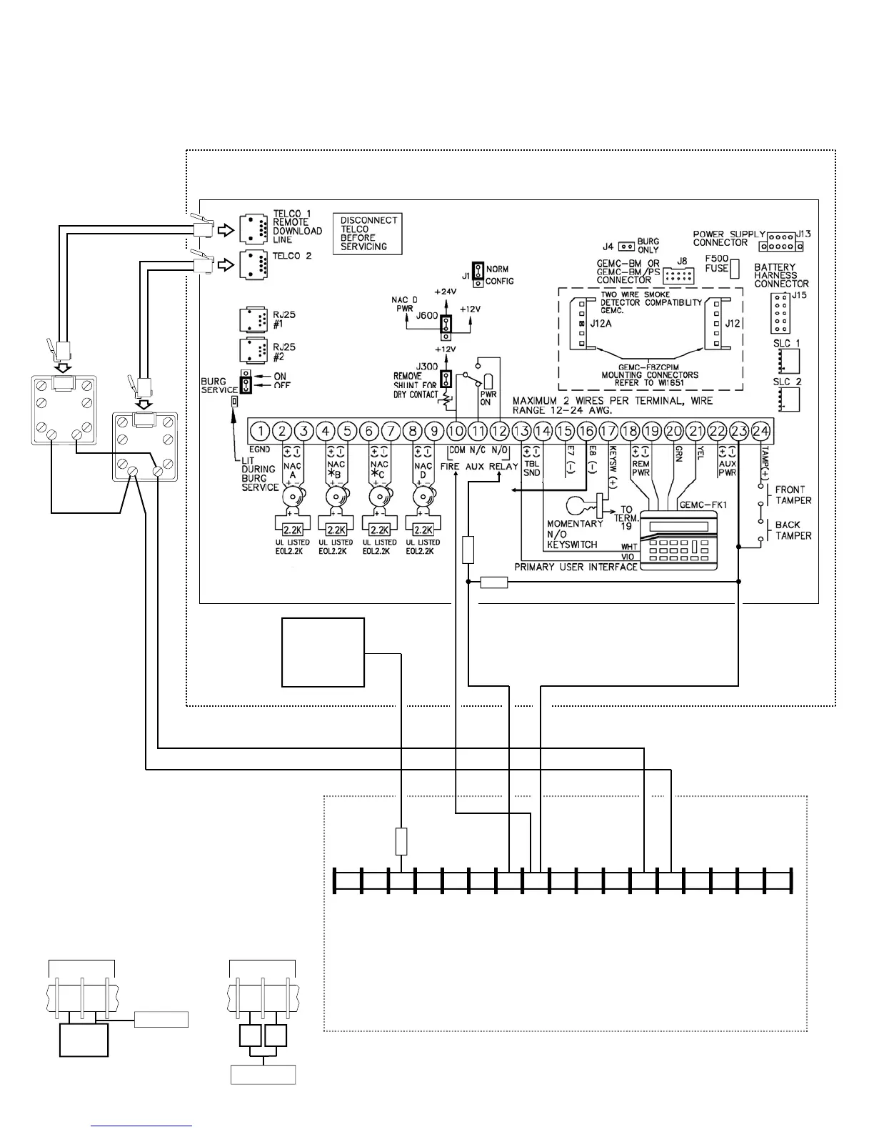
Wiring Diagram for PRIMARY Reporting Configuration
GEMC-32, GEMC-96, GEMC-128 and GEMC-255 Control Panels
(Use when telephone line is NOT available)
(CONTROL PANEL HOUSING)
RJ31X
RING TIP
GEMC Control
Panel PC Board
SEE WIRING
DIAGRAM
AND WI FOR
ADDITIONAL
INFORMATION
RJ31X
RING TIP
6 7 8 15 14 13 12 11 9 10 2* 3 4 5 1*
+V
()
PGM1 PGM2 PGM3 IN1 IN2 GND IN3 RING TIP
17 16
RTS
(R)
PANEL
TX (B)
PANEL
RX (G)
CTS
Y
StarLink Radio Terminals
*Refer to section "SUPPLYING POWER".
PANEL
RING (+)
PANEL
TIP (–)
(STARLINK RADIO HOUSING)
MONITOR
ZONE (+)
DEDICATED TO
SUPERVISION
2.2K
Special Wiring Instructions for the
GEMC-F8ZCPIM as a Monitor Zone Only
When PGM1 is wired to a GEMC-F8ZCPIM
zone, replace the 2.2k ohm EOL resistor with
a 560ohm 1/2 watt min EOL resistor. Connect
PGM1 to the negative terminal of the zone.
When PGM2 and/or PGM3 are wired to a
GEMC-F8ZCPIM zone, replace the 2.2k ohm
EOL resistor with two 1K ohm 1/4 watt min
EOL resistors. Connect the PGM wire to the
common wire of the two resistors in series.
GEMC-F8ZCPIM
ZONE
EOLR
1K
Radio PGM2 or PGM3
terminal
EOLR
1K
GEMC-F8ZCPIM
ZONE
(+)
()
EOLR 560
(min 1/2W)
Radio PGM1 terminal
SLE-LTEV-CB-TF PC Board: All connec-
tions are power limited except AC Mains,
Telco and battery terminals. Terminals
14-17: No connections permitted.
COM
TELCO TROUBLE OUTPUT
10K
10K
Note: Connect IN2 to a
panel output used for
identifying Telco line cut (this
is the DACT interconnect
wiring to the radio).