EasyManua.ls Logo

NAPCO SLE-LTEV-CFB - Wiring Diagram for PRIMARY Reporting Configuration GEMC-32, GEMC-96, GEMC-128 and GEMC-255 Control Panels (Page 13)

NAPCO SLE-LTEV-CFB
20 pages
Print Icon
To Next Page IconTo Next Page
To Next Page IconTo Next Page
To Previous Page IconTo Previous Page
To Previous Page IconTo Previous Page
Loading...
StarLink
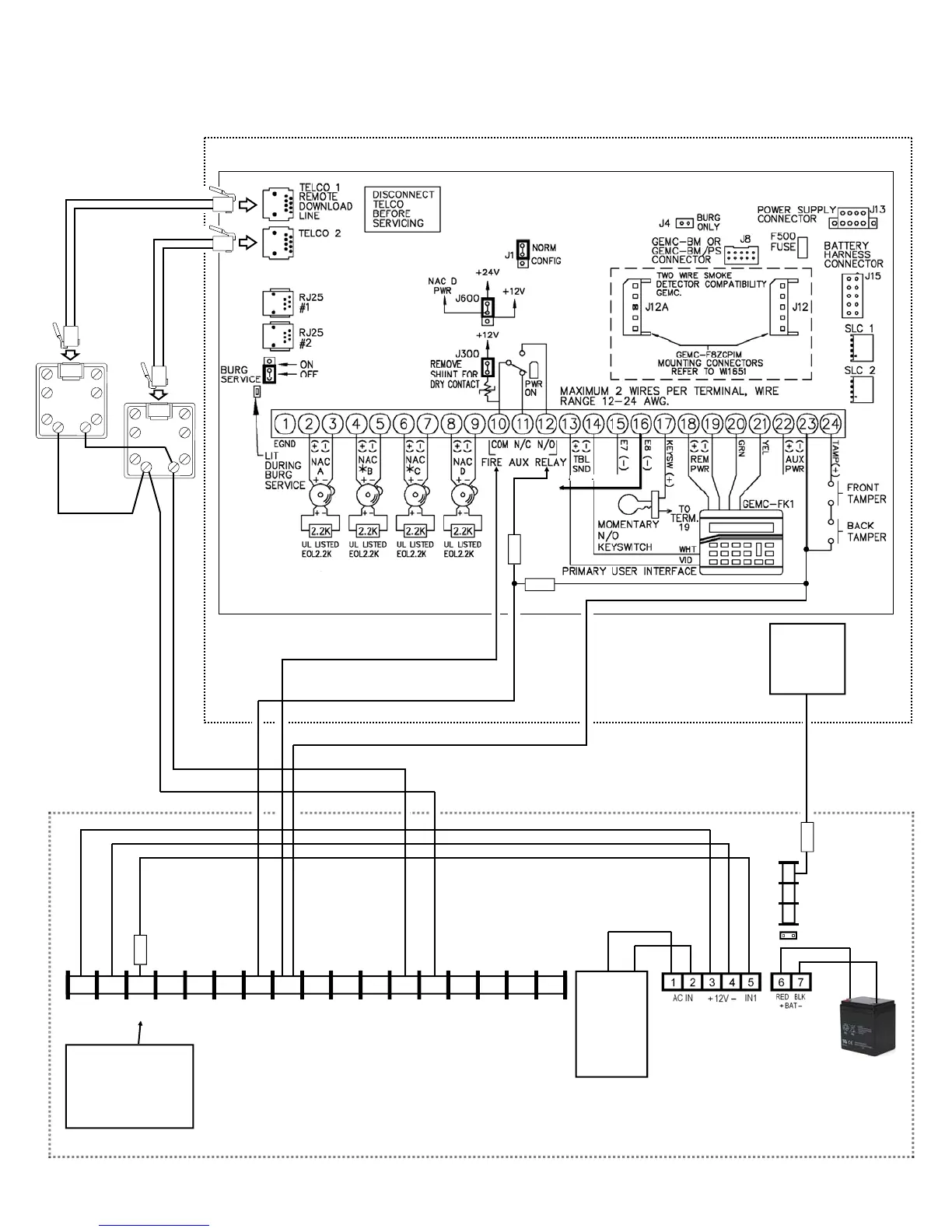
SLE-LTE Commercial Series Alarm Communicators -- Installation Instructions 13
Wiring Diagram for PRIMARY Reporting Configuration
GEMC-32, GEMC-96, GEMC-128 and GEMC-255 Control Panels
(Use when telephone line is NOT available)
RJ31X
RING TIP
GEMC Control
Panel PC Board
10K
SEE WIRING
DIAGRAM
AND WI FOR
ADDITIONAL
INFORMATION
RJ31X
RING TIP
*Refer to section "SUPPLYING POWER".
6 7 8 15 14 13 12 11 9 10 2* 3 4 5 1*
+V
()
PGM1 PGM2 PGM3 IN1 IN2 GND IN3 RING TIP
17 16
RTS
(R)
PANEL
TX (B)
PANEL
RX (G)
CTS
Y
StarLink Radio Terminals
PANEL
RING (+)
PANEL
TIP (–)
(STARLINK RADIO HOUSING)
Either the
TRF12/T123
(16.5V / 20VA)
transformer
or the chassis-
mounted
16.5VAC /
20VA
transformer
StarLink
BATTERY
(+)
RED
(–)
BLACK
Power Supply (SLE-ULPS-R)
(optional)
2.2K
8 9 10
N/C
COM
N/O
J2
2.2K
ZONE (+)
DEDICATED
TO SUPER-
VISION
(CONTROL PANEL HOUSING)
SLE-LTEV-CB-TF PC Board: All con-
nections are power limited except AC
Mains, Telco and battery terminals. Ter-
minals 14-17: No connections permitted.
TELCO TROUBLE OUTPUT
COM
10K
Wire to dedicated zone
on the control panel for
Supervision when the
Power Supply board
(SLE-ULPS-R) is not
used.
Note: Connect IN2
to a panel output used
for identifying Telco
line cut (this is the
DACT interconnect
wiring to the radio).