EasyManua.ls Logo

NAPCO SLE-LTEV-CFB - Wiring Diagram for BACKUP Reporting Configuration GEM-X255; GEM-P9600; GEM-P3200 Control Panels

NAPCO SLE-LTEV-CFB
20 pages
Print Icon
To Next Page IconTo Next Page
To Next Page IconTo Next Page
To Previous Page IconTo Previous Page
To Previous Page IconTo Previous Page
Loading...
14 StarLink
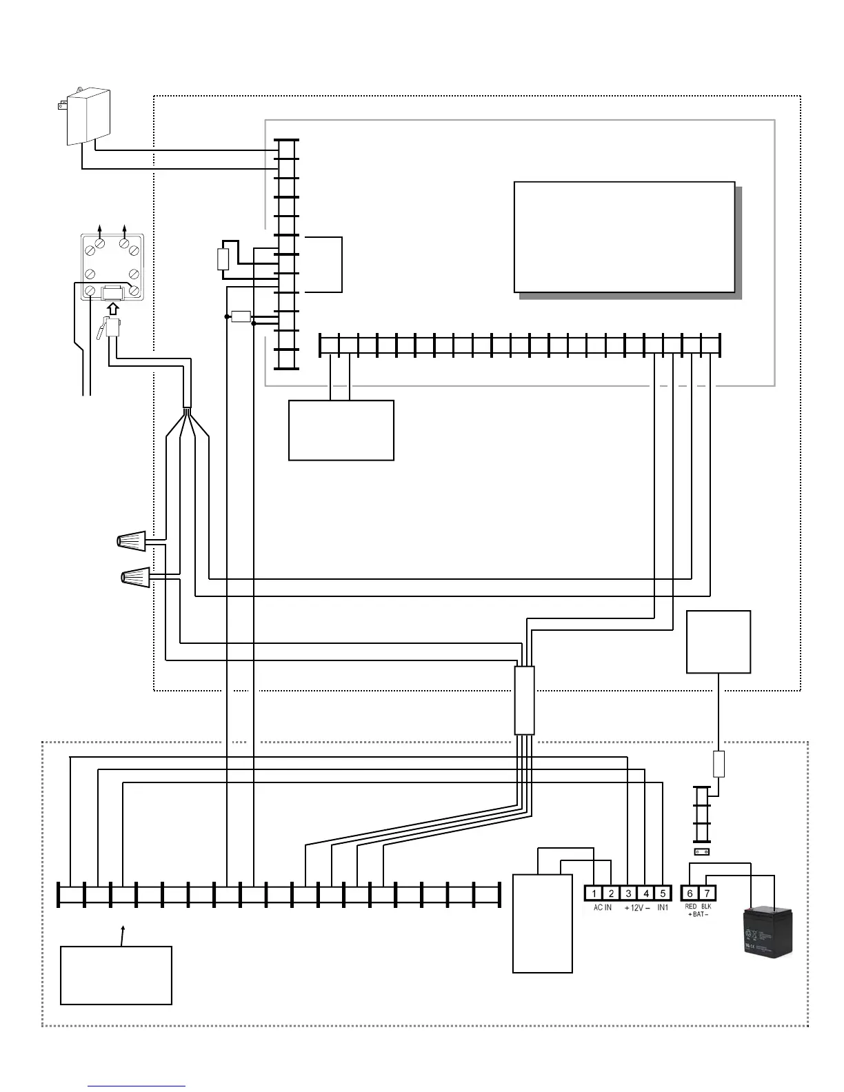
SLE-LTE Commercial Series Alarm Communicators -- Installation Instructions
Wiring Diagram for BACKUP Reporting Configuration
GEM-X255 / GEM-P9600 / GEM-P3200 Control Panels
TELCO TBL
GRN
RED
BRN
GRAY
(CONTROL PANEL HOUSING)
1
2
3
4
5
6
7
8
9
10
11
12
13 14 15 16 17 18 19 20 21 22 26 27 28 29 23 24 25 33 30 31 32
GRAY
BRN
BLACK
YELLOW
Control Panel PC Board
16VAC
*For StarLink module
terminals 1 and 2:
May be wired directly
to Aux Power of the
control panel when
71mA standby cur-
rent is available.
TIP RING TIP RING
TEL LINE PHONE
HOME
PHONES
TO TELCO
RJ31X
Summary of connections:
 RJ31X RED to StarLink module 10
 RJ31X GREEN to StarLink module 11
 RJ31X BROWN to Panel 32
 RJ31X GRAY to Panel 33
 Panel 30 to StarLink module 13
 Panel 31 to StarLink module 12
GRN
RED
GRN
RED
RING TIP
GRN
RED
YELLOW
BLACK
StarLink
BATTERY
(+)
RED
(–)
BLACK
*Refer to section "SUPPLYING POWER".
6 7 8 15 14 13 12 11 9 10 2* 3 4 5 1*
+V
()
PGM1 PGM2 PGM3 IN1 IN2 GND IN3 RING TIP
17 16
RTS
(R)
PANEL
TX (B)
PANEL
RX (G)
CTS
Y
StarLink Radio Terminals
PANEL
RING (+)
PANEL
TIP (–)
(STARLINK RADIO HOUSING)
Power Supply (SLE-ULPS-R)
Either the
TRF12/T123
(16.5V / 20VA)
transformer
or the chassis-
mounted
16.5VAC /
20VA
transformer
(optional)
8 9 10
N/C
COM
N/O
J2
Optional: When Power Supply
SLE-ULPS-R is not used,
connect Panel Aux Power to
StarLink terminals 1 and 2
(observing polarity)
16VAC
Transformer
TELCO QUAD WIRE
2.2K
ZONE (+)
DEDICATED
TO
SUPERVISION
SLE-LTEV-CB-TF PC Board: All connections are pow-
er limited except AC Mains, Telco and battery termi-
nals. Terminals 14-17: No connections permitted.
COM
AUX RELAY
(Cut Jumper A)
COM
N/C
N/O
10K
AUX PWR
(+) (–)
10K
REMOTE
PWR ()
Wire to dedicated zone on
the control panel for
Supervision when the
Power Supply board (SLE-
ULPS-R) is not used.
Note: Connect
IN2 to a panel
output used for
identifying Telco
line cut (this is the
DACT interconnect
wiring to the radio).