EasyManua.ls Logo

NEC LT265 - External Monitor Connection; Connecting for Simultaneous Viewing

NEC LT265
149 pages
Print Icon
To Next Page IconTo Next Page
To Next Page IconTo Next Page
To Previous Page IconTo Previous Page
To Previous Page IconTo Previous Page
Loading...
19
AUDIO
IN
PC CARD
R AUDIO IN L
AC IN
VIDEO IN
AUDIO OUT
S-VIDEO IN
PC CONTROL
MONITOR OUT
COMPUTER 1 IN COMPUTER 2 IN
AUDIO IN
USBLAN
MONITOR OUT
AUDIO OUT
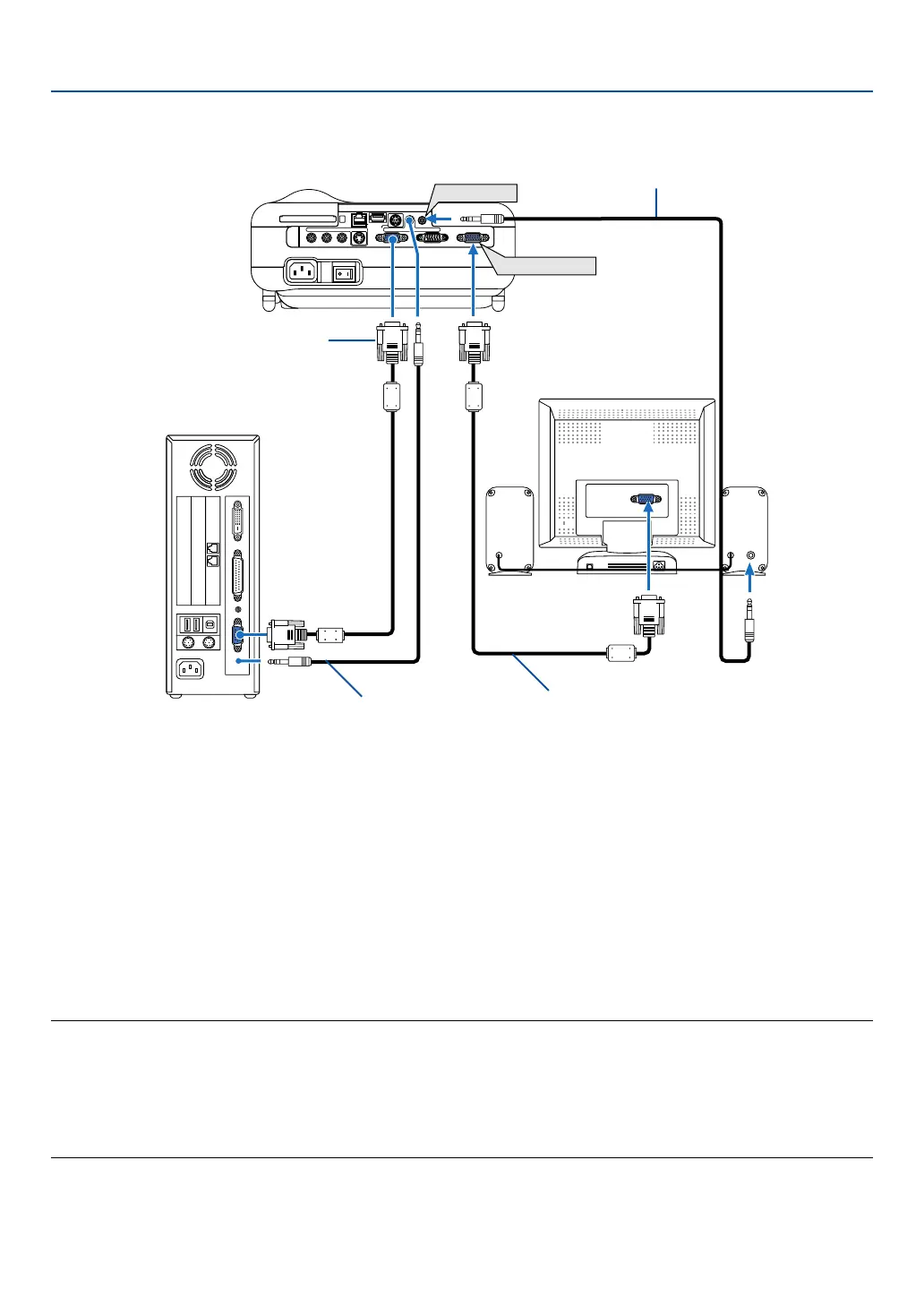
2. Installation and Connections
Connecting an External Monitor
You can connect a separate, external monitor to your projector to simultaneously view on a monitor the RGB analog
image you're projecting.
To do so:
1. Turn off the power to your projector, monitor and computer.
2. Use an RGB/VGA signal cable to connect your monitor to the MONITOR OUT (Mini D-Sub 15 pin) connector on
your projector.
3. Connect the supplied power cable. See page 26.
4. Turn on the projector, monitor and the computer.
NOTE:
The MONITOR OUT connector outputs an RGB signal during Standby mode.
When the projector is in the standby mode, the image may not be correctly displayed while the cooling fans are running
immediately after turning on or off the power.
Output sound level can be adjusted in accordance with the sound level.
When audio equipment is connected, the projector speaker is disabled.
Daisy chain connection is not possible.
RGB/VGA signal cable (supplied)
RGB/VGA signal cable (not supplied)
Audio cable (not supplied)
Audio cable (not supplied)

Table of Contents

Other manuals for NEC LT265

Related product manuals