EasyManua.ls Logo

NEC M362W - Connecting an External Monitor

NEC M362W
163 pages
To Next Page IconTo Next Page
To Next Page IconTo Next Page
To Previous Page IconTo Previous Page
To Previous Page IconTo Previous Page
Loading...
123
6. Installation and Connections
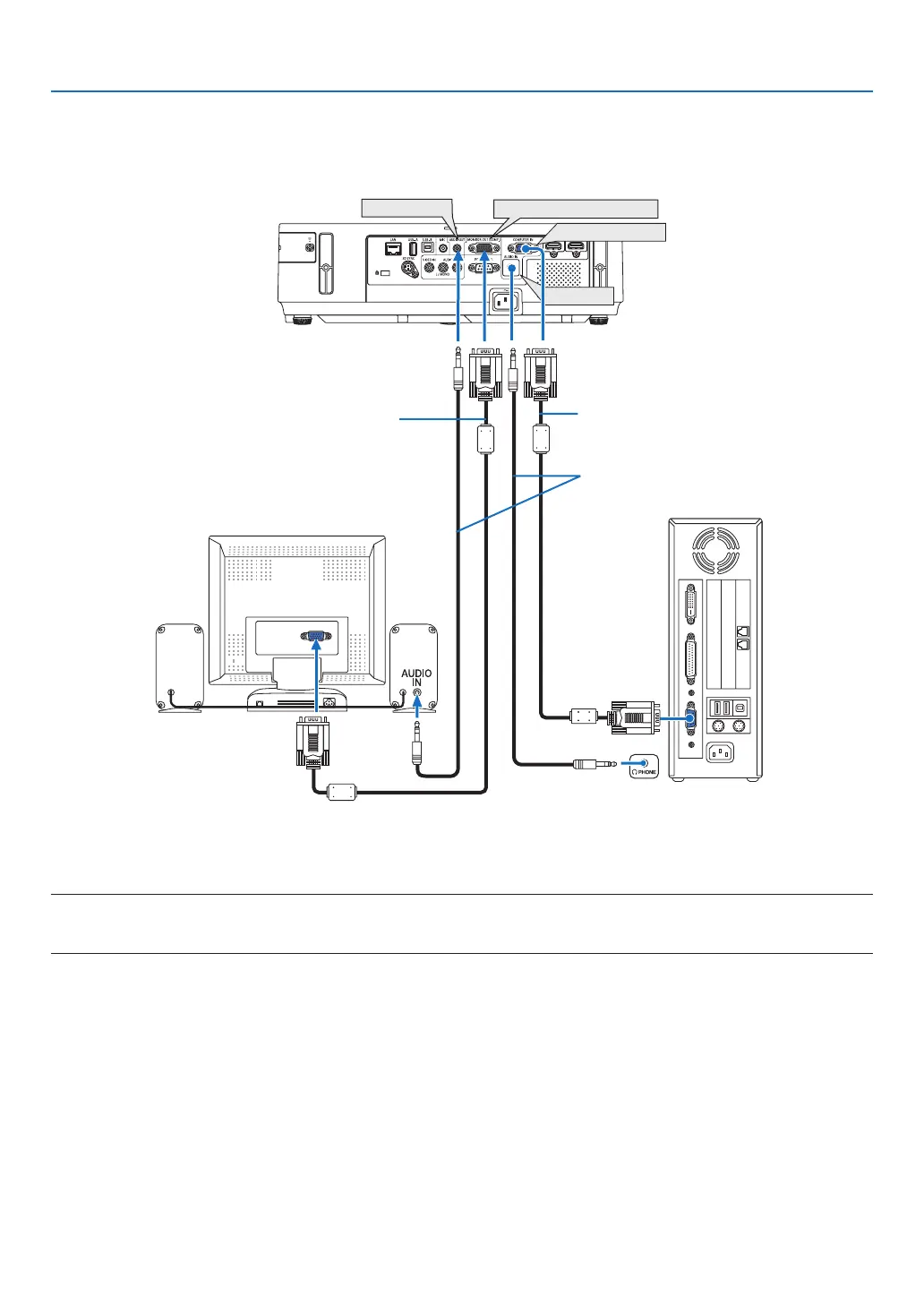
Connecting an External Monitor
Youcanconnectaseparate,externalmonitortoyourprojectortosimultaneouslyviewonamonitorthecomputer
analogimageyou’reprojecting.
NOTE:
• Daisychainconnectionisnotpossible.
• Whenaudioequipmentisconnected,theprojectorspeakerisdisabled.
Monitoroutandsleepmode:
• TheMONITOROUT(COMP.)connectorwillnotworkwhen[NORMAL]isselectedfor[STANDBYMODE].
TheMONITOROUT(COMP.)connectorwillworkonlyinthesleepmode.
ApplyingasignalfromtheCOMPUTERINconnectorwillputtheprojectorinthesleepmode,whichallowsyouto
usetheMONITOROUT(COMP.)connectorandtheAUDIOOUTminijack.SoundfromtheMICinputjackwillbe
outputtotheAUDIOOUTminijack.
Thesleepmodeisoneofthestandbymodes.Thesleepmodecannotbeselectedfromthemenu.
• Inthenetworkstandbymode,soundforthelastviewedcomputerorvideosourcewillbeheard.
 BNC-to-D-SUBconvertedsignalwillnotbeoutputinthestandbymodeandsleepmode.
MONITOR OUT(COMP.)
AUDIO OUT
AUDIO IN
COMPUTER IN
Computer cable (VGA) (supplied)
Stereo mini-plug audio cable (not supplied)
Computer cable (VGA)
(not supplied)

Table of Contents

Related product manuals