EasyManua.ls Logo

NEC ME403U - Connecting an External Monitor

NEC ME403U
115 pages
Print Icon
To Next Page IconTo Next Page
To Next Page IconTo Next Page
To Previous Page IconTo Previous Page
To Previous Page IconTo Previous Page
Loading...
73
7. Installation and Connections
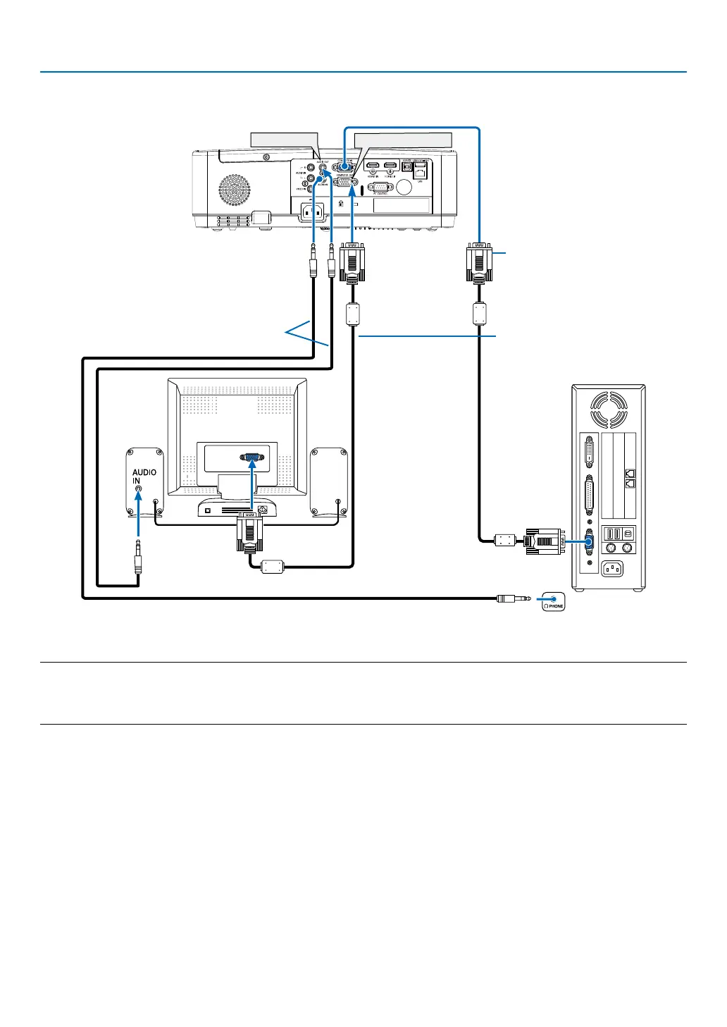
Connecting an External Monitor
You can connect a separate, external monitor to your projector to simultaneously view on a monitor the computer
analog image you’re projecting.
NOTE:
The AUDIO OUT mini jack does not support earphone/headphone terminal.
When audio equipment is connected, the projector speaker is disabled.
The signal output from the COMPUTER OUT of this projector is for projecting image on exclusive one display.
AUDIO OUT
COMPUTER OUT
Computer cable (VGA) (supplied)
Computer cable (VGA) (not supplied)
Stereo mini-plug audio cable (not supplied)

Table of Contents

Other manuals for NEC ME403U

Related product manuals