EasyManua.ls Logo

NEC ME403U - Connecting Component Input

NEC ME403U
115 pages
Print Icon
To Next Page IconTo Next Page
To Next Page IconTo Next Page
To Previous Page IconTo Previous Page
To Previous Page IconTo Previous Page
Loading...
75
7. Installation and Connections
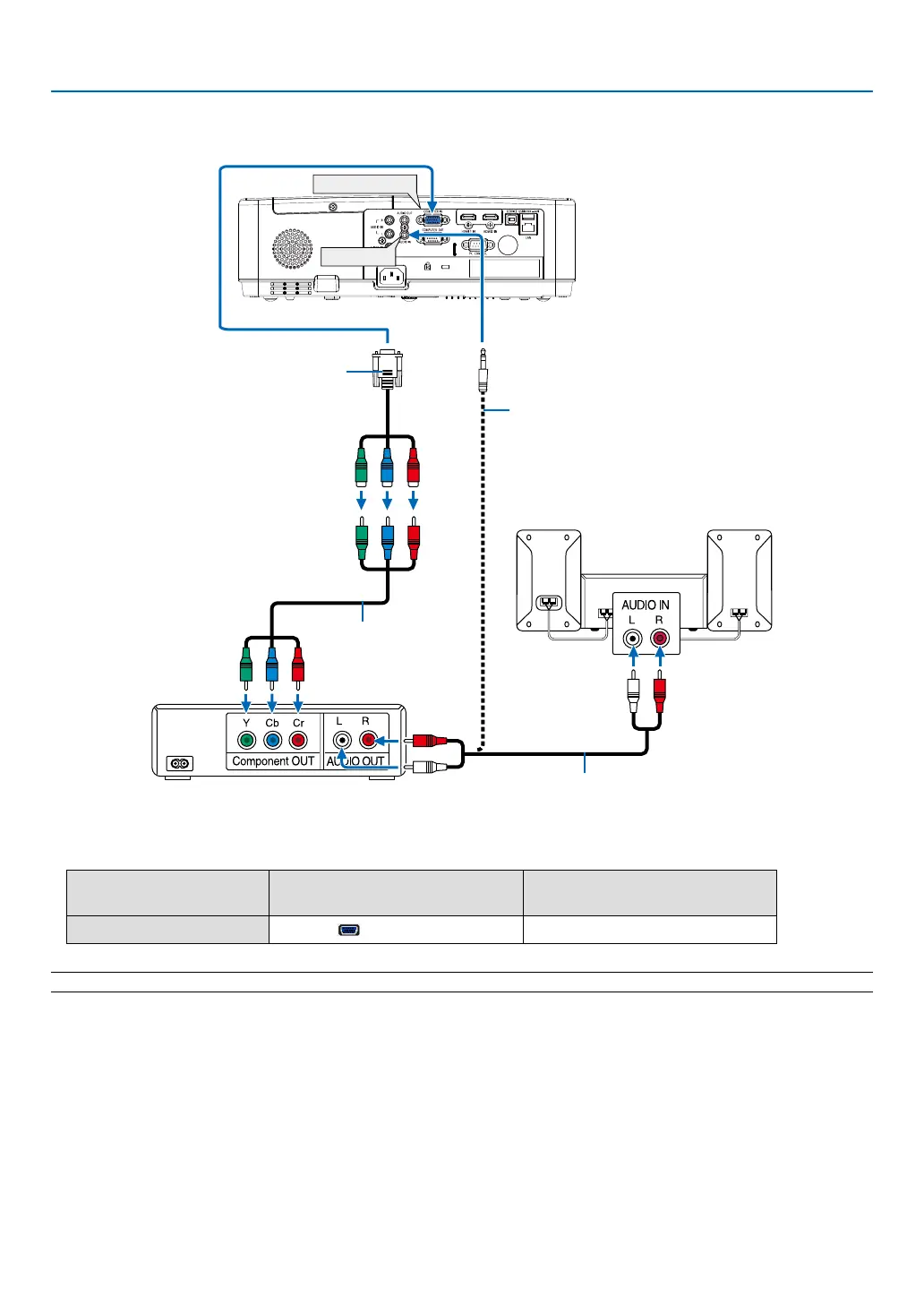
Connecting Component Input
COMPUTER IN
AUDIO IN
15-pin - to - RCA (female) × 3 cable adapter
(ADP-CV1E)
Stereo mini plug - to - RCA audio cable (not supplied)
Component video RCA ×
3 cable (not supplied)
Audio cable (not supplied)
DVD player
Audio Equipment
Select the source name for its appropriate input terminal after turning on the projector.
Input terminal
INPUT button on the projector
cabinet
Button on the remote control
COMPUTER IN
COMPUTER
(COMPUTER)
NOTE: Refer to your DVD player’s owner’s manual for more information about your DVD player’s video output requirements.

Table of Contents

Other manuals for NEC ME403U

Related product manuals