EasyManua.ls Logo

NEC MultiSync P404PG - Setup

NEC MultiSync P404PG
75 pages
Print Icon
To Next Page IconTo Next Page
To Next Page IconTo Next Page
To Previous Page IconTo Previous Page
To Previous Page IconTo Previous Page
Loading...
English-14
1. Determine the installation location
CAUTION: Installing your LCD monitor must be done by a
qualifi ed technician. Contact your supplier for
more information.
CAUTION:
MOVING OR INSTALLING THE LCD MONITOR
MUST BE DONE BY TWO OR MORE PEOPLE.
Failure to follow this caution may result in injury if
the LCD monitor falls.
CAUTION: Do not mount or operate the monitor upside
down.
CAUTION: This LCD monitor has internal temperature
sensors and cooling fans, including a fan for the
option board.
If the LCD monitor becomes too hot, the cooling
fans will turn on automatically.
The option board’s fan is active although the
temperature is lower than normal operating
temperature for cooling the option board. If the
LCD monitor becomes overheated while the
cooling fan is running, a “Caution” warning will
appear. If the “Caution” warning appears, stop
using the unit and allow it to cool. Using the
cooling fans will reduce the likelihood of early unit
failure and may help reduce image degradation
and “Image Persistance”.
If the LCD monitor is used in an enclosed area
or if the LCD panel is covered with a protective
screen, please check the inside temperature of
the monitor by using the “HEAT STATUS” control
in the OSD (see page 40). If the temperature is
higher than the normal operating temperature,
please turn the cooling fan to ON within the FAN
CONTROL menu within the OSD (see page 40).
IMPORTANT: Lay the protective sheet beneath the
monitor, so as not to scratch the LCD panel.
The protective sheet was wrapped around the
monitor when it was packaged.
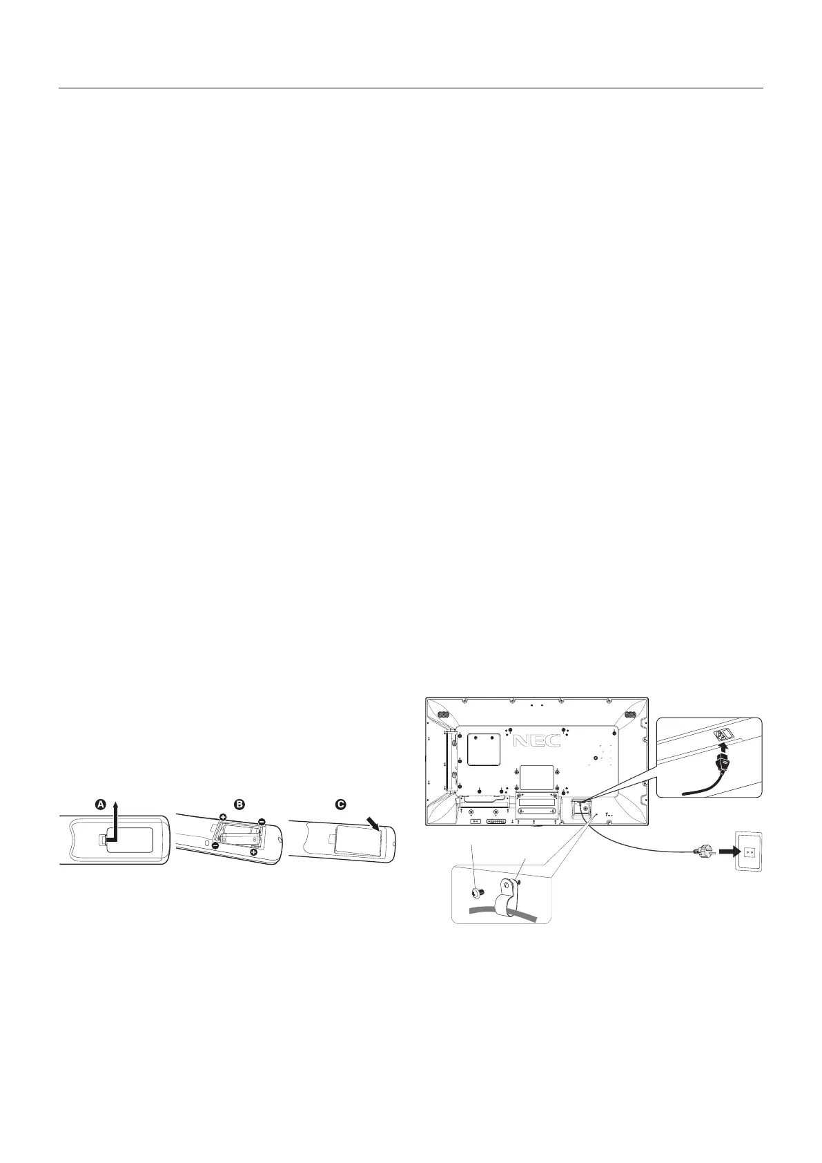
2. Install the remote control batteries
The remote control is powered by two 1.5V AAA batteries.
To install or replace batteries:
A. Press and slide to open the cover.
B. Align the batteries according to the (+) and (–) indications
inside the case.
C. Replace the cover.
CAUTION: Incorrect usage of batteries can result in leaks or
bursting.
NEC recommends the following battery use:
Place “AAA” size batteries matching the (+) and (-) signs
on each battery to the (+) and (-) signs of the battery
compartment.
Do not mix battery brands.
Do not combine new and old batteries. This can shorten
battery life or cause liquid leakage of batteries.
Remove dead batteries immediately to prevent battery
acid from leaking into the battery compartment.
Do not touch exposed battery acid, it may injure your skin.
NOTE: If you do not intend to use the Remote Control for
a long period of time, remove the batteries.
3. Connect external equipment
(See pages 16, 17 and 18)
To protect the external equipment; turn off the main power
before making connections.
Refer to the user’s manual of your equipment for further
information.
NOTE: Do not connect/disconnect cables when turning
on the monitor or other external equipment, as this
may result in a loss of the monitor image.
4. Connect the supplied power cord
The equipment should be installed close to an easily
accessible power outlet.
Please fasten power cord to the LCD monitor by attaching
the screw and clamp.
Fully insert the prongs into the power outlet socket.
A loose connection may cause image degradation.
NOTE: Please refer to the “Safety Precautions and
Maintenance” section of this user’s manual for
proper selection of an AC power cord.
(Recommended Fasten Force: 139 - 189N•cm).
Screw
Clamp
Setup

Table of Contents

Related product manuals