EasyManua.ls Logo

NEC P474W - Connecting Component Input

NEC P474W
144 pages
Print Icon
To Next Page IconTo Next Page
To Next Page IconTo Next Page
To Previous Page IconTo Previous Page
To Previous Page IconTo Previous Page
Loading...
97
6. Installation and Connections
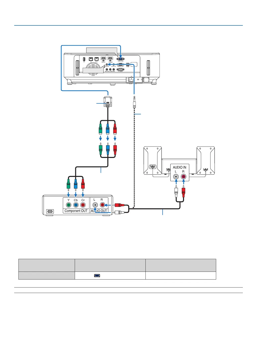
Connecting Component Input
COMPUTER IN
AUDIO IN
15-pin - to - RCA (female) × 3 cable adapter
(ADP-CV1E)
Stereo mini plug - to - RCA audio cable (not supplied)
Component video RCA ×
3 cable (not supplied)
Audio cable (not supplied)
DVD player
Audio Equipment
Acomponentsignalwillbeautomaticallydisplayed.Ifnot,fromthemenu,select[SETUP][OPTIONS(1)]
[SIGNALSELECT][COMPUTER],andthenplaceacheckmarkintheComponentradiobutton.
• Selectthesourcenameforitsappropriateinputterminalafterturningontheprojector.
Inputterminal
SOURCEbuttonontheprojector
cabinet
Buttonontheremotecontrol
COMPUTERIN
COMPUTER
(COMPUTER1)
NOTE:RefertoyourDVDplayer’sowner’smanualformoreinformationaboutyourDVDplayer’svideooutputrequirements.

Table of Contents

Other manuals for NEC P474W

Related product manuals