EasyManua.ls Logo

Necta Brio Espresso - Machine Code Setting; Machine Configuration; Selection Counter

Default Icon
40 pages
Print Icon
To Next Page IconTo Next Page
To Next Page IconTo Next Page
To Previous Page IconTo Previous Page
To Previous Page IconTo Previous Page
Loading...
25
© by NECTA VENDING SOLUTIONS SpA 0101 Brio C-I
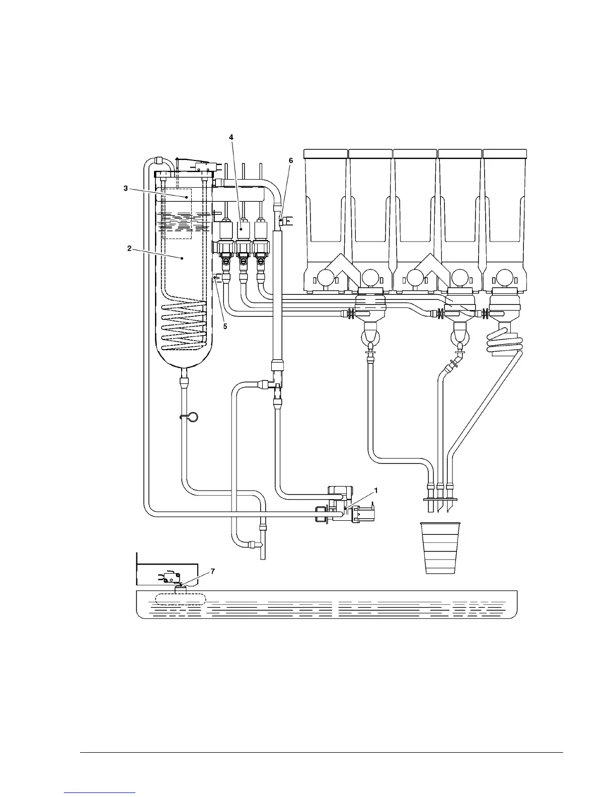
HYDRAULIC SYSTEM
Instant models
1 - Water inlet solenoid valve
2 - Boiler
3 - Float
4 - Instant product solenoid valve
5 - Safety thermostat (manual reset)
6 - Anti-boiling thermostat (manual reset)
7 - Liquid waste container float

Related product manuals