EasyManua.ls Logo

Necta Kikko Espresso - Grinding and Dose Adjustments

Default Icon
76 pages
Print Icon
To Next Page IconTo Next Page
To Next Page IconTo Next Page
To Previous Page IconTo Previous Page
To Previous Page IconTo Previous Page
Loading...
© by NECTA VENDING SOLUTIONS SpA
14
02-2004 184 02
ADJUSTING THE BREWING
CHAMBER VOLUME
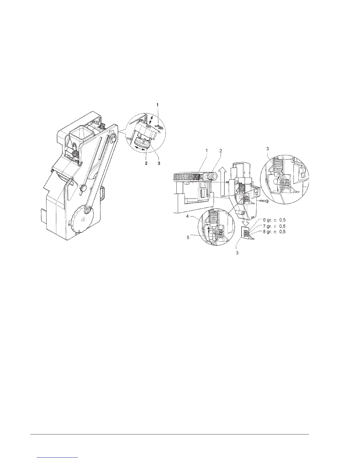
When the upper piston is correctly positioned, the coffee
unit can operate with coffee doses of 5.5 to 8.5 gr.
To change the piston position (see Fig. 19) do as follows:
- remove the snap ring from its seat;
- place the piston in the proper adjusting notches:
.less deep notches for 5.5 to 7.5 gr. doses;
.deeper notches for 6.5 to 8.5 gr. doses.
Fig. 19
ADJUSTING THE COFFEE DOSE
The dose adjusting lever can be positioned in one of the 6
reference notches bearing in mind that:
- the dose is increased by lifting the lever:
- the dose is reduced by lowering the lever:
- every notch changes the dose by approx. 0.25 gr.
In addition, when the lever is fully rotated upwards, the
ratchet can be released from the groove in the dose
regulator (see Fig. 20) and replaced into a different groove
to change the average dose setting to:
- low 6 gr. ± 0.5
- medium 7 gr. ± 0.5
- high 8 gr. ± 0.5
ADJUSTING THE GRADE OF GRINDING
When a variation in the grade of grinding is desired, turn the
relevant adjusting knob on the grinder (see Fig. 20) and
more specifically:
- turn the knob anticlockwise for coarser grinding;
- turn the knob clockwise for finer grinding.
For optimum results, it is advisable to vary the grade of
grinding with the coffee grinder motor running.
NB: After adjustment of the grade of grinding, at least
2 test selections must be performed in order to check
the new grade of grinding for ground coffee:
The finer the grade of grinding the longer the time neces-
sary for dispensing the coffee and vice versa.
Fig. 20
1 - Snap ring
2 - Upper piston
3 - Reference fins
1 - Coffee grinder
2 - Grinding adjustment knob
3 - Dose regulator
4 - Dose adjusting lever
5 - Reference notches
To take the dose just remove the coffee unit and use the
special function from the “Test” menu in “Technician”
mode (see relevant section).
Important notice!!!
To refit the coffee unit, pay special attention to the
piston position. Reference notches on the external
disk and on the unit case should match (see Fig. 22).
WATER TEMPERATURE CONTROL
The boiler temperature is controlled by the software and
can be adjusted directly from the menu.

Table of Contents

Related product manuals